74181
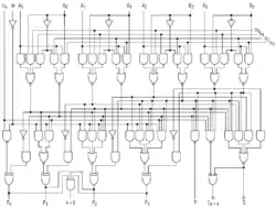
74181 – 4-bitowa jednostka arytmetyczna (ALU). Była to pierwsza kompletna ALU umieszczona tylko w jednym układzie scalonym. Układ ten został użyty jako ALU w wielu historycznych minikomputerach oraz w innych starych urządzeniach elektronicznych. Układ ten, pomimo braku praktycznych zastosowań w obecnych czasach, jest używany do nauki informatyki na wyższych poziomach dzięki swojej prostej budowie.

Zobacz też
Bibliografia
- Andrzej Rydzewski, Krzysztof Sacha (1986). Mikrokomputer: elementy, budowa i działanie.