Amplistat
Amplistat wzbudzenia – specjalny transformatorowy wzmacniacz magnetyczny umożliwiający bezstykową, bezstopniową i bezoporową regulację natężenia prądu w obwodach elektrycznych.
Zasada pracy amplistatu

Uzwojenie nawinięte na zamknięty rdzeń z materiału ferromagnetycznego (dławik) będzie wykazywało różny opór przy zasilaniu prądem stałym, jak i przy zasilaniu prądem przemiennym wskutek występowania oporu indukcyjnego w czasie przepływu prądu przemiennego ze względu na to, iż opór indukcyjny jest wielokrotnie większy niż opór uzwojenia dławika przy przepływie prądu stałego.
Dzięki temu powstaje możliwość zmiany natężenia prądu w uzwojeniu dławika przez zmianę jego oporu indukcyjnego. Najczęściej wykonuje się to, wykorzystując nieliniową część krzywej magnesowania rdzenia ferromagnetycznego.
Zwiększając natężenie prądu przepływającego przez uzwojenie dławika, uzyskuje się taką wartość prądu, przy której strumień magnetyczny już nie wzrasta. Następuje wtedy nasycenie rdzenia. Opór indukcyjny dławika z rdzeniem nasyconym jest znacznie mniejszy od oporu z rdzeniem nienasyconym.
W celu zmiany stopnia nasycenia rdzenia, należy nawinąć na rdzeń jeszcze jedno uzwojenie nazywane uzwojeniem magnesowania wstępnego i zasilić je ze źródła prądu stałego. Zwiększenie natężenia prądu w tym uzwojeniu będzie powodowało wzrost strumienia magnetycznego w rdzeniu. Opór indukcyjny pierwszego uzwojenia włączonego w obwód prądu przemiennego będzie malał, a natężenie prądu w tym uzwojeniu będzie rosło.
Przy zastosowaniu permaloju lub innych wysokomagnetycznych materiałów na rdzeń okazuje się, że siła magnetomotoryczna uzwojenia magnesowania wstępnego (prąd stały) jest równa sile magnetomotorycznej uzwojenia prądu przemiennego. Dlatego też przy braku prądu w uzwojeniu magnesowania wstępnego przepływa bardzo mały prąd przez uzwojenie prądu przemiennego.
Zwiększenie prądu w uzwojeniu magnesowania wstępnego wywołuje odpowiedni wzrost prądu w uzwojeniu prądu przemiennego. Ta właściwość dławika z rdzeniem magnesowanym wstępnie stanowi podstawową zasadę pracy wzmacniaczy magnetycznych.
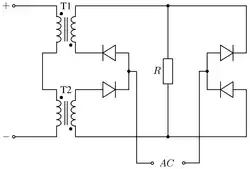
Wzmacniacz magnetyczny składa się z dwóch dławików z magnesowaniem wstępnym. Uzwojenia prądu przemiennego mogą być połączone szeregowo lub równolegle.
Na rysunku 2 przedstawiono schemat prostego wzmacniacza magnetycznego z równolegle połączonymi uzwojeniami prądu przemiennego, nazywanymi uzwojeniami roboczymi.

Szeregowo z uzwojeniami roboczymi jest połączony przez układ prostownikowy opornik obciążający. Jeżeli w uzwojeniach roboczych przepływa prąd przemienny, to w uzwojeniach magnesowania wstępnego będzie wywołana przemienna siła elektromotoryczna (SEM), jak w transformatorze.
Ta SEM może wywołać przepływ prądu w uzwojeniach magnesowania wstępnego; prąd ten będzie osłabiał działanie wzmacniacza. Dla uniknięcia tego, uzwojenia magnesowania wstępnego są włączone tak, że powstające w nich SEM transformacji są przeciwnie skierowane i wzajemnie się znoszą.
Znajdujący się w obwodzie opornika obciążającego Ro układ prostowników zapewnia przepływ prądu stałego przez opornik; zamiast tego opornika może być włączone np. uzwojenie wzbudzenia prądnicy (IK).
We wzmacniaczu magnetycznym liczba zwojów w uzwojeniu magnesowania wstępnego jest znacznie większa od liczby zwojów w uzwojeniu roboczym. W tym układzie moc potrzebna do regulacji jest wielokrotnie mniejsza od mocy regulowanej. Stosunek tych mocy nazywa się stopniem wzmocnienia wzmacniacza.
W uzwojeniach roboczych płynie prąd pulsujący, który także magnesuje wstępnie rdzeń. Uzwojenie magnesowania wstępnego jest tak dobrane, że do uzyskania maksymalnego prądu w oporniku obciążającym (uzwojeniu wzbudzenia) potrzebna jest mniejsza siła magnetomotoryczna, gdyż każde zwiększenie prądu magnesowania wstępnego wywołuje zwiększenie prądu uzwojeń roboczych, a to z kolei powoduje magnesowanie wstępne rdzenia i dalsze zwiększanie prądu. Jest to wewnętrzne sprzężenie zwrotne.
Wewnętrznym sprzężeniem zwrotnym nazywamy sprzężenie zwrotne uzyskiwane za pośrednictwem prostownika włączanego szeregowo z każdym uzwojeniem prądu zmiennego wzmacniacza. Wzmacniacze z wewnętrznym sprzężeniem zwrotnym znalazły najszersze zastosowanie i niekiedy są nazywane wzmacniaczami z samowzbudzeniem lub samopodmagnesowaniem. Dlatego charakterystyka wzmacniacza magnetycznego, przedstawiająca zależność prądu roboczego od prądu magnesowania wstępnego jest bardzo stroma. Taki wzmacniacz magnetyczny z wewnętrznym sprzężeniem zwrotnym jest nazywany amplistatem[1][2].
Charakterystyka wzmacniacza magnetycznego, to zależność Ir (prądu roboczego) od Is (prądu magnesowania wstępnego).
Charakterystyka zwykłego wzmacniacza magnetycznego (rys.3) pokazuje, że przy prądzie magnesowania wstępnego Is=0, w uzwojeniach roboczych płynie prąd Ir. Przy wzroście prądu Is niezależnie od kierunku jego przepływu, następuje szybki wzrost prądu Ir aż do ustalonej wartości maksymalnej.

Z charakterystyki amplistatu (rys.3) widać, że przy prądzie magnesowania wstępnego Is=0, w uzwojeniach roboczych płynie prąd Ir o nie najmniejszej swojej wartości. Jest to wywołane wewnętrznym sprzężeniem zwrotnym. Przebieg narastania prądu roboczego Ir jest bardziej stromy.
Charakterystyka wzmacniacza magnetycznego praktycznie nie zależy od temperatury, co jest bardzo ważne w układach sterowania i regulacji lokomotywy.
Amplistaty mogą mieć po kilka różnych uzwojeń sterujących, umożliwiających regulację prądu w uzwojeniu roboczym w zależności od kilku różnych niezależnych od siebie czynników założonych w pracy układów elektrycznych. Te uzwojenia sterujące mogą wywoływać strumienie magnetyczne zgodnie skierowane (uzwojenie magnesujące) bądź przeciwnie skierowane (uzwojenie rozmagnesowujące).
Ze względu na bardzo krótki czas działania (regulacji) amplistaty znalazły zastosowanie w układach samoczynnej regulacji pracy lokomotyw spalinowych. W układach tych zastosowano również do współpracy z amplistatem tzw. Transformatory prądu stałego, działające w sposób podobny do amplistatu.
Przykładowe zastosowanie

Amplistat wzbudzenia typu AW-3A (rys.1) stosowany jest w lokomotywie (PKP) serii ST44 („Gagarin”).
Transformatorowy wzmacniacz magnetyczny z wewnętrznym sprzężeniem zwrotnym, pozwalający na drodze indukcji magnetycznej za pomocą małych wartości prądów regulacji sterować znacznymi wartościami natężenia prądu stałego w układzie wzbudzenia prądnicy głównej. Służy on do samoczynnej regulacji wartości natężenia prądu w uzwojeniach wzbudzenia prądnicy wzbudzenia (wzbudnicy) typu W-600 w zależności od:
- wartości natężenia prądu w obwodzie głównym,
- wartości napięcia w obwodzie głównym,
- prędkości obrotowej silnika spalinowego,
- pracy regulatora silnika spalinowego.
Do wykonywania tych zadań służą w amplistacie dwa uzwojenia robocze oraz cztery uzwojenia magnesujące, pokazane na rys.4. Uzwojenia te są umieszczone na dwusłupowym rdzeniu:
- Uzwojenia robocze (K1-N1, K2-N2) są połączone z uzwojeniem wzbudzenia wzbudnicy poprzez układ prostownikowy (BW).
- Uzwojenie stabilizacyjne (Ks-Ns) jest zasilane napięciem wzbudnicy przez transformator stabilizacyjny (TS).
- Uzwojenie zadające (Nz-Kz) jest zasilane prądem stałym z prądnicy tachometrycznej lub przez blok tachometryczny (TB) i wytwarza strumień magnetyczny skierowany przeciwnie do strumienia wytwarzanego przez uzwojenie sterujące.
- Uzwojenie sterujące (Ku-Nu) jest zasilane z układu reagującego na zmiany wartości natężenia i napięcia prądu w obwodzie głównym (TPT i TPN) i wytwarza strumień magnetyczny skierowany przeciwnie do strumienia wytwarzanego przez uzwojenie zadające.
- Uzwojenie regulacyjne (Kr-Nr) jest zasilane z prądnicy prądu przemiennego przez układ prostownikowy i wytwarza strumień magnetyczny skierowany zgodnie ze strumieniem wytworzonym przez uzwojenie zadające.
Cztery uzwojenia (Us + Uz + Uu + Ur) wytwarzają wypadkowy strumień magnetyczny zmieniający odpowiednio opór indukcyjny uzwojenia roboczego (Uro).
Przypisy
- 1 2 Magnetic Amplifiers and Logic Circuits (Part One). Flight Mechanics. [dostęp 2020-12-21]. (ang.).
- ↑ Magnetic amplifiers. avstop.com. [dostęp 2020-12-21]. (ang.).
Bibliografia
- Emilian Domański: Lokomotywy spalinowe ST44. Warszawa: 1977.