Domofon

Domofon (również bramofon) – aparat telefoniczny o uproszczonej budowie, służący do komunikacji głosowej na małe odległości bez pośrednictwa centrali, zazwyczaj w obrębie jednego budynku lub posesji[1][2].
Najczęściej wykorzystywane w domach, mieszkaniach i innych budynkach do identyfikacji interesantów i do zdalnego otwierania drzwi. Czasami połączony z kamerą i wyświetlaczem – nazywany wtedy wideodomofonem.
Zasada działania
Prosty domofon składa się ze wzmacniacza elektroakustycznego z dołączonymi do jego wejścia i wyjścia głośnikami (dołączony do wejścia głośnik pełni funkcję mikrofonu).
Podstawowe elementy instalacji domofonowej to:
- kaseta bramowa analogowa lub cyfrowa
- co najmniej jeden unifon instalacji domofonowej (może być wiele unifonów lub również wideo-unifony)
- moduł elektroniczny i zasilacz domofonu
- elektrozaczep bramy wejściowej
Domofony występują w systemach:
- analogowym (zaletą ich jest prostota montażu i uruchomienia oraz niska cena)
- cyfrowym (zaletą ich jest stała liczba żył w magistrali sygnałowej, niezależnie od ilości użytkowników oraz mniejsze panele wejściowe, również z możliwością elektronicznego spisu mieszkańców, jak również możliwość otwarcia drzwi po wpisaniu wcześniej zaprogramowanego kodu.)
- IP/SIP (zaletą jest brak ograniczeń odległości między kasetą/centralą bramową a unifonem/wideomonitorem, brak zajętości połączeń pomiędzy pozostałymi użytkownikami w całym systemie domofonowym/wideodomofonowych na rozległym osiedlu mieszkaniowym, prostota instalacji oparta na kasetach bramowych IP, unifonach/wideomonitorach IP i switchach POE, szeroka funkcjonalność, np. możliwość otwarcia wejścia za pomocą kodu: detekcji twarzy (AI), z odbiornika unifonu/wideomonitora, telefonu VoIP lub z aplikacji na smartfonach)


Rodzaje domofonów
Bramofon
Bramofon jest prostym systemem łączności bezpośredniej pomiędzy bramą wejściową a lokalami w posesji. Służy do wywołania i rozmowy z mieszkańcami posesji, oraz odblokowania zamka i otwarcia bramy wejściowej. W najprostszej wersji składa się z kasety bramowej z wizytówkami i przyciskami do mieszkań, oraz unifonów (aparatów domofonowych) wewnątrz lokali, które posiadają słuchawki telefoniczne i przyciski do zwalniania elektrozaczepu bramy. Niekiedy zamiast unifonów w lokalach stosowane są urządzenia głośnomówiące.
Domofon stosowany jest zarówno w domach jednorodzinnych (zwany wtedy często bramofonem), jak i w blokach wielorodzinnych, oraz budynkach publicznych i przemysłowych. Domofony wykonywane są w wersji analogowej i cyfrowej oraz technologii IP/SIP.
Domofon analogowy
Domofon analogowy jest najprostszą wersją urządzenia. Kaseta na bramie posiada wizytówki i przyciski indywidualne dla każdego lokalu w budynku. Instalacja takiego domofonu składa się z w różnych modelach z 4 do 6 żył. Kaseta bramowa posiada mikrofon i głośnik, a unifony w lokalach wykonane są postaci wiszącej słuchawki telefonicznej. Poszczególne żyły w instalacji kablowej łączą: mikrofon w kasecie bramowej ze słuchawkami w unifonach, mikrofony w unifonach z głośnikiem w kasecie bramowej, kolejna żyła wysyła sygnał dzwonka z przycisku na kasecie do wybranego unifonu. Kolejne dwie żyły wykorzystane były w najstarszych wersjach do włączania elektrozaczepu bramy prądem przemiennym 12 V (takie modele potrzebowały 6 żył w instalacji). W nowszych wersjach załączanie elektrozaczepu zostało zrealizowane poprzez zwieranie przyciskiem w unifonie żyły mikrofonu z żyłą masy systemu, co powodowało uruchamianie przekaźnika, lub triaka sterującego elektrozaczep bramy. Takie systemy posiadają 4 żyły w instalacji systemu.
Domofon cyfrowy
Domofony cyfrowe to nowocześniejsze wersje urządzeń oparte na technice mikroprocesorowej. Posiadają kasety bramowe z cyfrową klawiaturą za pomocą której wybierany jest numer lokalu, lub wprowadzany np. kod powodujący odblokowanie bramy. Kasety posiadają także wyświetlacz cyfrowy na którym pokazuje się numer wybranego lokalu, a także mogą być dodatkowe informacje jak np. nazwisko mieszkańca/nazwa lokalu. Wyświetlacz służy także do obsługi serwisowej i programowania systemu. Domofony cyfrowe posiadają bardzo prostą instalację składającą się tylko z dwóch żył biegnących kolejno do każdego unifonu zamontowanego w instalacji. Dużą zaletą tego typu urządzeń jest kaseta z cyfrową klawiaturą, co jest szczególnie istotne przy dużej liczbie lokali (unikamy konieczności montowania dużych kaset z dużą liczbą wizytówek i przycisków). Dodatkowe zalety to prosta instalacja (na przewodzie dwużyłowym) oraz dodatkowe funkcje jakie uzyskują użytkownicy, między innymi możliwość odblokowania zamka przy pomocy indywidualnego kodu z kasety bramowej.
Domofon/Wideodomofony IP/SIP
Domofony/Wideodomofony IP oparte są na protokole TCP/IP oraz SIP. Urządzenia systemu są urządzeniami sieciowymi pracującymi w obrębie sieci LAN i WAN. Składają się z kasety bramowej, odbiorników domowych, czyli unifonów (słuchawkowych lub bezsłuchawkowych), wideomonitorów (wideo-unifonów) oraz switchy POE. Kasety bramowe wyposażone są w system operacyjny linux lub android, głośnik, mikrofon, pojedynczą lub podwójną kamerę IP, klawiaturę, wyświetlacz LCD, czytnik RFID, wyjścia przekaźnikowe. W stosunku do cyfrowych kaset bramowych posiadają rozszerzoną funkcjonalność o dowolną personalizację kolorowych wyświetlaczy LCD, otwieranie za pomocą detekcji twarzy, syntezer mowy który informuje o otwarciu wejścia, przekierowanie połączenia audio-wideo na smartfon z aplikacją z możliwością prowadzenia rozmowy między kasetą bramową, a smartfonem i otwierania wejścia.
Wideodomofon
Wideodomofon jest odmianą domofonu wyposażoną w kamerę zamontowaną w kasecie bramowej, oraz unifonami z wbudowanymi monitorami. Użytkownicy mają możliwość dodatkowo obserwacji osoby, z którą prowadzą rozmowę za pomocą monitora. Monitory najnowszych generacji wykonane są już jako małe kolorowe wyświetlacze LCD.
Wideodomofony występują w wersji z wyświetlaczem (ekranem) czarno-białym lub kolorowym. Kamera wideodomofonu może być wbudowana w panel zewnętrzny lub zamontowana osobno na budynku. Unifon z monitorem nazywany jest wideomonitorem.
Funkcje dodatkowe
Wiele modeli domofonów/wideodomofonów posiada dodatkowe funkcje, takie jak:
- zamek szyfrowy pozwalający otworzyć drzwi
- możliwość odblokowania elektrozaczepu bramy za pomocą karty, pastylki lub pilota
- algorytm detekcji twarzy umożliwiającą otwarcie wejścia dla przypisanej osoby
- nawiązywanie łączności wewnętrznej pomiędzy unifonami/wideomonitorami zamontowanymi w danym obiekcie (interkom)
- wyłącznik domofonu
- wyłącznik otwierania dodatkowych drzwi
- drugi głośnik sygnału wywołania znajdujący się wewnątrz aparatu
- systemy sterowania innymi urządzeniami elektrycznymi (np. drugie drzwi lub system alarmowy) za pomocą przekaźników.
- rejestracja/zapis osób które chciały nas odwiedzić w trakcie nieobecności mieszkańców w postaci zdjęć lub filmów z zapisem daty i czasu
- wideomonitory IP posiadają wejścia alarmowe do podłączenia czujników automatyki domowej
- unifony, wideomonitory posiadają wejścia dla przycisku dzwonka znajdującego się przy drzwiach
- wideomonitory posiadają wejścia dla podglądu obrazu z kamer monitoringu
- wideomonitory IP mogą wyświetlać informacje tekstowe od administracji nieruchomości, aktualną pogodę.
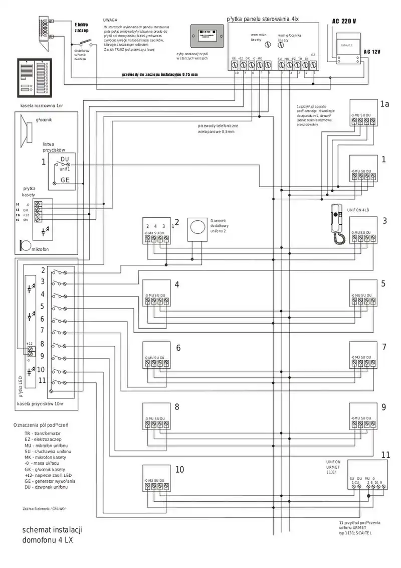
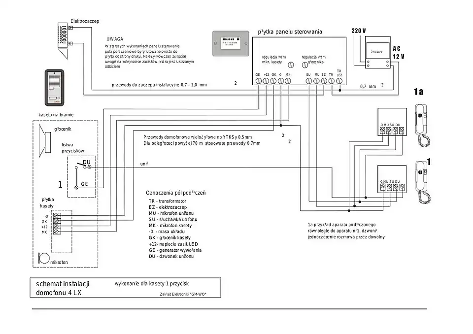
Przykładowe schematy instalacji domofonowych


Przypisy
- ↑ domofon, [w:] Encyklopedia PWN [online], Wydawnictwo Naukowe PWN [dostęp 2025-03-21].
- ↑ DOMOFON [online], encyklopedia.interia.pl [dostęp 2025-03-20] (pol.).