IGBT

IGBT (ang. insulated-gate bipolar transistor) – tranzystor bipolarny z izolowaną bramką. Jest to element półprzewodnikowy mocy używany w przekształtnikach energoelektronicznych o mocach do kilkuset kilowatów.
Łączy zalety dwóch typów tranzystorów: łatwość sterowania tranzystorów polowych i wysokie napięcie przebicia oraz szybkość przełączania tranzystorów bipolarnych; jest wykorzystywany m.in. w falownikach jako łącznik, umożliwia załączanie prądów powyżej 1 kA i blokowanie napięć do 6 kV.
Tranzystor IGBT powstał przez połączenie w obszarze monolitycznego materiału półprzewodnikowego tranzystora bipolarnego z tranzystorem polowym typu MOS. Utworzona w ten sposób struktura ma pozytywne cechy obu elementów i stanowi półprzewodnikowy łącznik przydatny do układów o mocy nawet kilkuset kilowatów i pracujący z częstotliwością przełączania sięgającą 50 kHz. Maksymalne dopuszczalne wartości blokowanego napięcia przekraczają 6 kV, co oznacza pełną przydatność IGBT w układach zasilanych z sieci o napięciu skutecznym 400 V i wyższym.
Niezwykle ważną zaletą IGBT jest (przejęta od tranzystora MOS) łatwość sterowania go przez zmianę potencjału izolowanej bramki, co bardzo upraszcza konstrukcję całego urządzenia. Pewną wadą tranzystorów IGBT jest natomiast znaczny spadek napięcia występujący na nich w stanie przewodzenia (ok. 2,5 V), jednakże sumaryczne straty mocy w IGBT są mniejsze niż w klasycznym tranzystorze bipolarnym. Kolejną wadą (jak wszystkich półprzewodników krzemowych) jest ograniczona temperatura pracy, od –20 °C do temperatury złącza około 150 °C. Jeszcze inną wadą jest występowanie tzw. „ogona prądowego” w procesie wyłączania tranzystora, co wydłuża czas autentycznego wyłączenia. Zjawisko to jest związane z potrzebą odprowadzenia ładunków mniejszościowych z obszaru bramki.
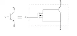
Symbol i schemat zastępczy tranzystora IGBT

Najpopularniejszy sposób oznaczania IGBT to skrzyżowanie symboli tranzystora bipolarnego oraz tranzystora polowego (lewy symbol na rysunku). Obszar kolektora C i emitera E jest zapożyczony wprost z symbolu tranzystora bipolarnego, zaś obszar bazy zastąpiony jest symbolem bramki G z tranzystora polowego. Wynikowy symbol przypomina więc bardzo tranzystor bipolarny, z dodatkową linią i pustą przestrzenią w obrębie bazy/bramki.
Schemat zastępczy tranzystora IGBT przypomina układ Darlingtona (prawa strona rysunku), zbudowany z tranzystorów MOSFET-n oraz bipolarnego PNP, w której emiter PNP oznaczony jest jako kolektor IGBT, połączenie bazy tranzystora typu PNP i drenu tranzystora typu MOSFET nie jest wyprowadzone, połączenie źródła tranzystora typu MOSFET z kolektorem tranzystora typu PNP nosi nazwę emitera tranzystora typu IGBT.
Zasada działania tranzystora IGBT
Tranzystor MOSFET steruje bazą tranzystora bipolarnego, zapewniając szybkie przechodzenie od stanu blokowania do przewodzenia i na odwrót. Jednakże w odróżnieniu od bipolarnego tranzystora Darlingtona, w tranzystorze IGBT największa część prądu drenu płynie przez kanał tranzystora MOSFET. Stan blokowania IGBT występuje gdy napięcie między bramką a źródłem jest niższe od wartości progowej Ugs(th), wielkości znanej z tranzystora MOSFET. Dołączone napięcie dren-źródło powoduje przepływ bardzo małego prądu upływu.
Jeśli napięcie bramka-źródło przekroczy wartość progową Ugs(th) tranzystora MOSFET struktury IGBT to zaczyna on przewodzić – płynie prąd drenu określony napięciem kolektor-emiter oraz wartością napięcia sterującego Uge.