Imadło

b. maszynowe
c. ręczne.

Imadło – przyrząd służący do mocowania przedmiotów poddawanych obróbce ręcznej lub mechanicznej.
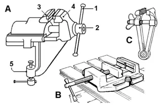
Imadło (rys. A) zbudowane jest z dwóch szczęk (3) zaciskanych przy pomocy śruby (2) napędzanej pokrętłem (1). Większe imadła oraz imadła maszynowe i specjalistyczne posiadają bardziej złożoną budowę: korpus (4), elementy mocujące do stołu warsztatowego lub obrabiarki (5), obrotnice lub przeguby, które mogą być wyposażone w podziałkę kątową.
Rodzaje imadeł
- ręczne (trzymane w ręce, a nie mocowane do stołu)
- maszynowe służące do mocowania obrabianych przedmiotów na obrabiarkach
- szlifierskie
- kątowe
- jubilerskie
- modelarskie
- obrotowe
- pneumatyczne
Ponadto można jeszcze podzielić imadła na:
- imadła ślusarskie
- imadła stolarskie
Galeria
Imadło drewniane z Löffelholz-Codex, Nürnberg 1505
Imadło maszynowe
Imadło maszynowe obrotowe z podziałką kątową
Imadło ślusarskie
Imadło stolarskie