Karta podejścia
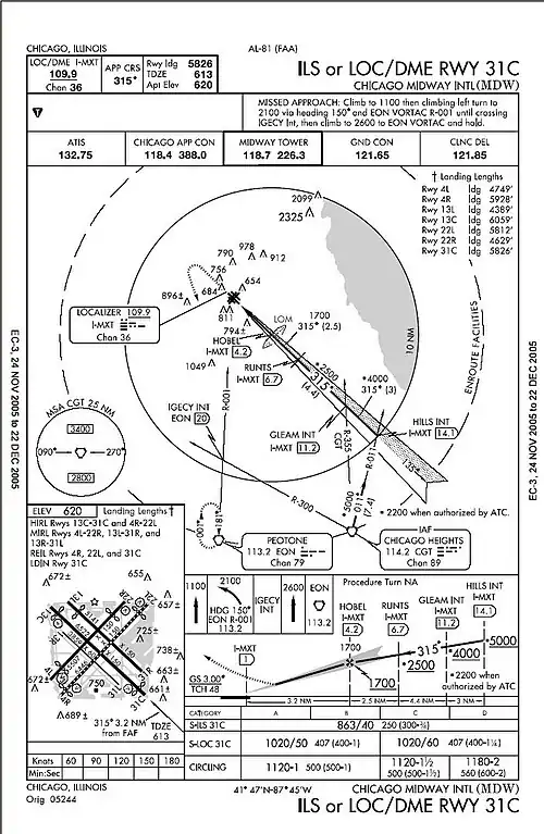
Karta podejścia – drukowany diagram stosowany w lotnictwie przy podejściu do lądowania w oparciu o wskazania przyrządów (ang. Instrument Approach Procedures (IAP)) używany przez pilotów w lotach na zasadach IFR (ang. Instrument Flight Rules).
Każde państwo ma własne procedury IAP zgodne ze standardami ICAO. W USA procedury te publikuje m.in. Federal Aviation Administration (FAA). W Kanadzie zajmuje się tym Nav Canada wydając serię podręczników Canada Air Pilot (CAP), zawierającą karty podejścia zatwierdzone przez Transport Canada[1]. Seria dla linii lotniczych, Restricted Canada Air Pilot (RCAP), zawiera dodatkowe podejścia dostępne tylko dla operatorów, którzy uzyskali certyfikat Op Spec 099[2].
Karty podejścia są podstawą bezpiecznego lądowania w warunkach IMC (ang. Instrument Meteorological Conditions) takich jak niski pułap chmur lub zredukowana widzialność spowodowana mgłą, deszczem lub śniegiem. Poza punktami orientacyjnymi, wymaganymi wysokościami i widzialnością minimalną konieczną do umiejscowienia samolotu odpowiednio do danego pasa startowego do lądowania, zawierają też istotne dane na temat nawigacji, np. kurs i nawigacyjne częstotliwości radiowe[3].
Ze względu na szybko zmieniające się warunki wokół lotnisk (takie jak pionowe przeszkody w locie, np. dźwigi, które mogą zostać tam umieszczone z dnia na dzień), karty podejścia wydawane są z datą upływu ważności, i często aktualizowane. Ponieważ karty podejścia często zawierają dodatkowe informacje związane z procedurami IAP (np. przeszkody pionowe na diagramie nie są częścią procedur, ale są tam umieszczone dla orientacji pilota), część aktualizacji jest konieczna właśnie z powodu zmian w przeszkodach wokół lotnisk, zaś same procedury (wysokość, kurs itp.) pozostają niezmienione.
Przypisy
- ↑ IFR Approach Plates. Nav Canada. [dostęp 2015-05-03]. [zarchiwizowane z tego adresu (3 czerwca 2015)]. (ang.).
- ↑ Op Spec 099. Transport Canada. [dostęp 2015-05-03]. (ang.).
- ↑ Aero Guide. Federal Aviation Administration. [dostęp 2015-05-03]. (ang.).
Linki zewnętrzne
- Aeronautical Chart User’s Guide – FAA Aeronautical Navigation Products (AeroNav Products)
- FAA Instrument Procedures Handbook
- Karty podejścia FAA (digital – Terminal Procedures Publication (d-TPP))
- Karta podejścia lotniska Smoleńsk-Siewiernyj, wersja z 2006 roku (fotografia). [dostęp 2011-09-06]. [zarchiwizowane z tego adresu (2013-04-21)]. (ros.).