Licznik pierścieniowy
Licznik pierścieniowy (rejestr pierścieniowy, krążąca jedynka, krążące zero) – sekwencyjny układ elektroniczny pracujący w kodzie „1 z n”. Podczas prawidłowego cyklu działania tylko jeden z bitów może mieć wartość „1” (lub „0” dla „krążącego zera”). Liczba stanów cyklu jest najczęściej równa liczbie przerzutników tworzących układ.
Budowa
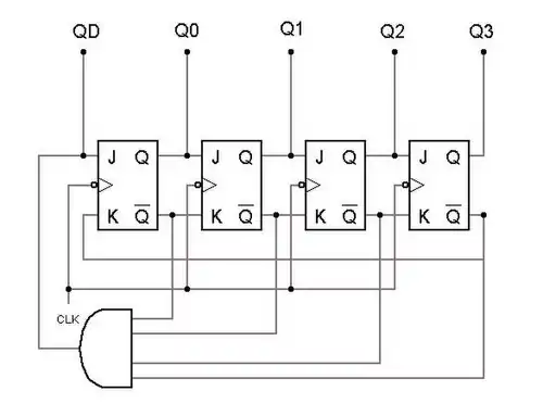
Najprostsza wersja licznika jest zbudowana z takiej samej liczby przerzutników, co liczba przewidywanych stanów. Przy poniższej realizacji konstrukcji rejestru użyto przerzutników JK.

Wadą powyższego układu jest brak mechanizmu samokorekcji. Aby zapewnić powrót rejestru do prawidłowego cyklu stosuje się dodatkową bramkę AND.

W tym przypadku „1” jest wprowadzany do pierwszego przerzutnika tylko wtedy, gdy wszystkie bity są w stanie niskim. Dodatkową zaletą układu jest możliwość użycia dodatkowego stanu z wyjścia oznaczonego na rysunku jako QD. Całkowita liczba stanów rejestru równa się wtedy liczbie przerzutników plus jeden.
Zalety i wady
Rejestr pierścieniowy znajduje zastosowanie tam, gdzie konieczne jest użycie kodu „1 z n”. Jego zaletą jest fakt, że stanów nie trzeba dodatkowo dekodować. Wadą licznika jest nadmiarowa liczba przerzutników tworzących układ. Rejestr zbudowany na przerzutnikach będzie posiadał tylko stanów z możliwych. Przy projektowaniu licznika istnieje również konieczność zapewnienia prawidłowego cyklu działania układu (tylko jednej jedynki lub zera), co wiąże się z koniecznością wprowadzenia dodatkowych układów.