Obwód Chuy
Obwód Chuy – prosty obwód elektryczny, wykazujący zachowanie chaotyczne. Przedstawił go w 1983 Leon O. Chua, który przebywał na Uniwersytecie Waseda w Japonii (Matsumoto 1984). Prostota konstrukcji tego czyni go realnym przykładem systemu chaotycznego, prowadząc do określenia paradygmatu chaosu (Madan 1993).

Układ generacyjny, stworzony z podstawowych komponentów pasywnych (rezystorów, cewek, kondensatorów) musi spełniać trzy podstawowe kryteria, zanim obwód może zacząć wykazywać zachowanie chaotycznie. Musi zawierać:
- jeden lub więcej element nieliniowy,
- jeden lub więcej aktywny rezystor,
- trzy lub więcej elementy magazynujące energię.
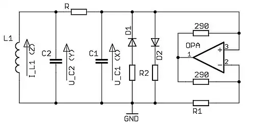
Elementy magazynujące energię to dwa kondensatory (oznaczone jako C1 i C2) i cewka (oznaczona jako L1). Jest również rezystor aktywny (oznaczony jako R) i dwójnik nieliniowy, umiejscowiony w prawej połówce schematu, stworzony z 5 rezystorów, dwóch diod i wzmacniacza operacyjnego pracującego w układzie konwertera impedancji.
Dynamikę obwodu Chuy możemy zamodelować trzema nieliniowymi równaniami różniczkowymi o zmiennych x(t), y(t) i z(t), które opisują napięcie na kondensatorach C1 i C2, i prąd płynący przez cewkę L1. Te równania to:
Funkcja f(x) opisuje charakterystykę prądowo-napięciową nieliniowego rezystora, a jej kształt zależy od konfiguracji początkowej elementów. Parametry α i β są zdefiniowane przez wartości komponentów obwodu.
Chaotyczny atraktor, znany również z ang. jako ‘The Double Scroll’, ze względu na kształt przestrzeni w jakiej jest zdefiniowany (x,y,z), został po raz pierwszy zaobserwowany w obwodzie zawierającym nieliniowy element taki jak f(x).
Prostota implementacji obwodu, połączona z istnieniem prostego modelu teoretycznego, czyni z obwodu Chuy użyteczny układ do studiowania fundamentalnych własności teorii chaosu.
Artykuły
- Matsumoto, T. „A Chaotic Attractor from Chuas’s Circuit.” IEEE Trans. CAS 31, 1055-1058, 1984.
- Matsumoto, T., Chua, L.O., and Komuro, M. „The Double Scroll.” IEEE Trans. CAS 32, 798-818, 1985.
Książki
- Chaos synchronization in Chua’s circuit, Leon O Chua, Berkeley: Electronics Research Laboratory, College of Engineering, University of California, [1992], OCLC: 44107698
- Chua’s circuit: a paradigm for chaos, R.N. Madan, River Edge, N.J., World Scientific, 1993
Linki zewnętrzne
- Chua’s Circuit: Diagram and discussion. cmp.caltech.edu. [zarchiwizowane z tego adresu (2012-01-26)].
- NOEL laboratory. Leon O. Chua’s laboratory at the University of California, Berkeley
- References