Open Graphics Project

Open Graphics Project (OGP) – projekt dążący do wypracowania standardu kart graficznych o otwartej architekturze, wraz z otwartym oprogramowaniem zdolnym do ich obsługi, których niszą miałyby być systemy o otwartym kodzie źródłowym. Projekt stanowi realizację idei Open Hardware.
OGP zaprojektuje najpierw karty prototypowe dla deweloperów, lecz dąży również do stworzenia karty graficznej zdolnej do konkurowania z obecnymi na rynku.
Historia i cele projektu
Pomysłodawcą i liderem OGP jest Timothy Miller. Projekt założył w październiku 2004 jako pracownik firmy TechSource, która początkowo miała zamiar produkować opracowane w ten sposób karty graficzne. Z czasem jednak TechSource przestała wierzyć w powodzenie tego przedsięwzięcia i na przełomie kwietnia i maja 2005 zrezygnowała z jego wsparcia. Wówczas Miller wraz z dwoma innymi pracownikami firmy, Howardem Parkinem i Andym Fongiem, oraz ochotnikami zaangażowanymi w projekt, zdecydowali o kontynuowaniu pracy w ramach OGP.
Plan zakłada stworzenie otwartej specyfikacji karty graficznej w architekturze nazwanej OGA. Na bazie tej specyfikacji powstanie karta OGD, wykonana w technologii FPGA. Dzięki reprogramowalnym elementom w gotowej OGD będzie można dokonywać zmian i poprawek, a jej głównym miejscem zastosowania mają być laboratoria badawcze. Chociaż technologia FPGA pozwala na dużą elastyczność, to jednostkowy koszt OGD będzie bardzo wysoki, nie nadaje się więc na rynek masowy. Przy ilościach przemysłowych znacznie tańsza jest technologia ASIC, dlatego ostateczny produkt – karta OGC – będzie wykonana właśnie na tej bazie. Niestety, wstępny koszt opracowania OGC jest wysoki (około 2 mln USD), więc do jego sfinansowania zostaną użyte pieniądze zarobione na sprzedaży OGD. Sprzedażą produktów opartych na OGA ma się zajmować specjalnie w tym celu powołana do życia firma Traversal Technology (TRV), natomiast nad kwestiami otwartości i promocji OGA ma czuwać nowo założona fundacja Open Hardware Foundation (OHF).
OGD1

Pierwsza wersja karty graficznej OGD będzie nosić nazwę OGD1. Karta ta będzie wyposażona w złącze PCI, w przyszłości mają powstać także wersje ze złączem AGP oraz PCI Express. OGD1 ma mieć 256 MiB pamięci typu DDR i być zgodna ze standardami DDC, EDID, DPMS oraz VBE VESA. Karta ma być pasywnie chłodzona, planowane jest też wyjście TV.
Dostępna będzie pełna specyfikacja karty. Kod źródłowy sterowników oraz BIOS-u karty zostanie opublikowany na licencjach MIT/BSDL. Opis RTL (w języku Verilog) dla wersji FPGA oraz dla wersji ASIC mają być dostępne na licencji GNU GPL.
Oznaczenia wersji
Poszczególne wersje OGD będą oznaczane zgodnie z poniższym schematem:
{Główny numer}–{Ilość pamięci}{Interfejsy wideo}{Specjalne opcje, np. firmware OGA numer A1}
| Pole | Przykładowa wartość | Opis |
|---|---|---|
| Główny numer | OGD1P- | karta OGD1 ze złączem PCI |
| Ilość pamięci | 256 | 256 MiB |
| Wyjścia wideo w kolejności, pomija się nieobecne | ||
| Pierwszy interfejs | D | para przekaźników DVI |
| Drugi interfejs | D | para przekaźników DVI |
| Trzeci interfejs | A | wyjście analogowe zgodne z VGA, 75 Ω |
| Czwarty interfejs | V | wyjście TV |
| Specjalne opcje w kolejności alfabetycznej, każda poprzedzona myślnikiem | ||
| Firmware-RTL | A1 | firmware OGA1 |
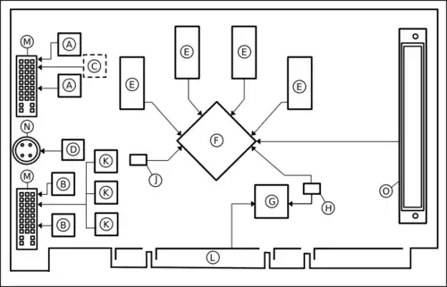
Budowa OGD1

Główne elementy OGD1 (widoczne na ilustracji):
- A) pierwsza para przekaźników DVI (A)
- B) pierwsza para przekaźników DVI (B)
- C) potrójny 10-bitowy konwerter DAC 330 MHz (z tyłu)
- D) kość obsługująca wyjście TV
- E) 2x4 kości DDR SDRAM po 256 megabitów (z tyłu i z przodu)
- F) Xilinx 3S4000 FPGA (główny procesor)
- G) Lattice XP10 FPGA
- H) SPI PROM 1 Mbit
- J) SPI PROM 16 Mbit
- K) 3 konwertery DAC 500 MHz (opcjonalne)
- L) 64-bitowe złącze PCI-X
- M) złącza DVI-I (A i B)
- N) złącze S-Video
- O) 100-pinowe złącze rozszerzenia
Skróty i terminy używane w projekcie
- Open Graphics Project (OGP) – grupa twórców pracujących nad sprzętem, dokumentacją oraz oprogramowaniem
- Open Graphics Architecture (OGA) – nazwa architektury karty graficznej stworzonej przez OGP
- Open Graphics Development (OGD) – pierwotna wersja karty na bazie FPGA, przeznaczona na rynek badawczy i używana jako platforma testowa dla wersji ASIC (OGC)
- Traversal Technology (TRV) – nazwa firmy reprezentującej OGP na rynku
- Open Graphics Card (OGC) – docelowa karta graficzna w architekturze OGA, wykonana w technologii ASIC, przeznaczona na rynek masowy
- Open Hardware Foundation (OHF) – fundacja reprezentująca cele OGP