Oscyloskop



.gif)

Oscyloskop – przyrząd elektroniczny służący do obserwowania, obrazowania napięcia w zależności od czasu i badania zależności pomiędzy dwiema wielkościami elektrycznymi, bądź innymi wielkościami fizycznymi reprezentowanymi w postaci elektrycznej.
Historia
Oscyloskop został wynaleziony w 1897 r. przez niemieckiego fizyka Karla Ferdinanda Brauna. Skonstruował on lampę oscyloskopową o próżni 0,001 Tr, strumień elektronów był emitowany przez zimną katodę bombardowaną dodatnimi jonami, następnie przyspieszane przez anodę napięciem 30-100 kV. Strumień ten przechodził przez przysłonę dla uzyskania wąskiej wiązki, natomiast strumień elektronów odchylany był zewnętrznymi cewkami. W 1904 r. A. Wehnelt udoskonalił lampę poprzez dodanie elektrody modulującej jaskrawość, gorącej katody i płytek odchylających. Obecną lampę oscyloskopową zasilaną „niskimi” napięciami ulepszył w 1921 r. J.B. Johnson.
Opis działania
Oscyloskop stosuje się do badania przebiegów szybkozmiennych, niemożliwych do bezpośredniej obserwacji przez człowieka. Jest podstawowym przyrządem pomiarowym w pracowni elektronika.
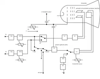
Pierwotnie oscyloskopy budowane były w oparciu o lampę oscyloskopową (oscyloskop analogowy). Obecnie dzięki rozwojowi elektroniki cyfrowej buduje się oscyloskopy cyfrowe. W oscyloskopie analogowym przebieg po wzmocnieniu steruje w płaszczyźnie pionowej plamką świetlną na ekranie oscyloskopu a w poziomie plamka jest sterowana albo z regulowanego generatora podstawy czasu (dzięki temu uzyskujemy obraz zmian napięcia sygnału w czasie), albo z sygnału odniesienia (rejestracja zależności dwóch przebiegów – patrz krzywa Lissajous). Oscyloskop analogowy zazwyczaj nie posiadał możliwości zapamiętania przebiegu, więc w celu stałego wyświetlania go na ekranie oscyloskopu musiał być podawany cyklicznie, dlatego też w celu zobrazowania takich właśnie przebiegów najczęściej był używany (przebiegi prądu zmiennego). Wyjątek stanowią oscyloskopy analogowe z tak zwaną „lampą z długą poświatą” (zwaną inaczej „lampą pamiętającą” – ang. „storage CRT"). Specjalną konstrukcją wykorzystującą zjawisko wtórnej emisji elektronowej, dzięki której możliwe jest zachowanie przebiegu na ekranie. Tak „zapamiętany” przebieg mógł być następnie fotografowany. Zmieniło się to wraz z wprowadzeniem oscyloskopów cyfrowych, które potrafią „zapamiętać” przebieg sygnału i odtworzyć go na ekranie nawet po jego zaniku. Dzięki zastosowaniu układów pamięciowych i przetworników analogowo-cyfrowych w oscyloskopach cyfrowych, lampa oscyloskopowa stała się zbędna i została wyeliminowana przez mniejsze i bardziej uniwersalne wyświetlacze ciekłokrystaliczne.
Rodzaje
Rozróżnia się trzy rodzaje oscyloskopów:
- z odchylaniem ciągłym lub okresowym,
- uniwersalne z odchylaniem ciągłym i wyzwalanym,
- szybkie (bardzo dużej częstotliwości).
W zależności od technologii analizy sygnału wyróżnić można oscyloskopy:
- analogowe z lampą oscyloskopową, na której obraz generowany jest w wyniku oddziaływania obserwowanych przebiegów na układ odchylania wiązki elektronowej;
- cyfrowe z monitorem wyświetlającym obraz wygenerowany przez układ mikroprocesorowy na podstawie analizy zdigitalizowanych sygnałów wejściowych.
Oscyloskopy mogą występować jako system wbudowany albo oprogramowanie funkcjonujące po podłączeniu odpowiedniego przetwornika do komputera.
Z uwagi na sposób pomiaru dzieli się oscyloskopy analogowe na[1]:
- oscyloskop jednostrumieniowy — może pracować także w systemie dwukanałowym, sygnały badane z zakresu 0 Hz do około 3 GHz;
- oscyloskop dwustrumieniowy — lampa oscyloskopowa o dwóch strumieniach elektronów, co pozwala na jednoczesne badanie dwóch sygnałów, posiadają jeden generator podstawy czasu;
- oscyloskop stroboskopowy (próbkujący) — z badanego przebiegu pobiera próbki przesunięte w czasie, a obwiednia jest zapisem sygnału, stosowany do badania przebiegów powtarzalnych;
- oscyloskop z pamięcią — pozwalają na pomiary różnych sygnałów, także aperiodycznych.
Zobacz też
- elementy oscyloskopu: lampa oscyloskopowa
- przetwarzanie sygnału: FFT, FFTW, Funkcja skokowa Heaviside'a
- krzywa Lissajous
- oscyloperturbograf