Programmable Array Logic
PAL (ang. Programmable Array Logic) – układ na matrycy PLD posiadający jedną część nieprogramowalną, podobnie jak układ PLE, z tym że PAL posiada programowalną matrycę bramek AND. Układy te są zaliczane do grupy prostych programowalnych układów elektronicznych pierwszej generacji (SPLD).
![]() |
![]() |
![]() |
Opis oznaczeń układów PAL
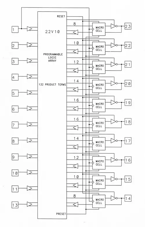
Przykładowe oznaczenie układu: PAL 20 R 8
- pierwszy ciąg znaków charakterystyczny dla producenta:
- PAL – AMD, MNI,
- PALCE – AMD,
- GAL – Lattice,
- TIBPAL – Texas Instruments,
- PLHS.
- pierwsza liczba oznacza liczbę wejść + wyjść ze sprzężeniem zwrotnym;
- litera oznacza:
- L/H – układ kombinacyjny z wyjściami aktywnymi 0/1,
- C – układ z wyjściami komplementarnymi,
- P – układ z polaryzacją programowalną,
- R – układ rejestrowy,
- RA – układ rejestrowy asynchroniczny,
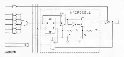
- V – układ z makrokomórkami o typie programowalnym (mogą być logiczne lub rejestrowe lub wejściowe),
- druga liczba oznacza liczbę bloków wyjściowych.
W ten sposób PAL20R8 oznacza układ rejestrowy o 20 wejściach lub wyjściach ze sprzężeniem zwrotnym, z 8 wyjściami rejestrowymi.
Wybrane układy typu PAL
PAL16L8
- obudowa 20 wyprowadzeń
- 10 wejść logicznych
- 8 wyjść (w tym 6 ze sprzężeniem zwrotnym, mogą być użyte jako dodatkowe wejścia lub do budowy wielopoziomowych układów logicznych)
- każde wyjście posiada 7 termów dołączonych do bramek OR oraz jeden term dla sygnału OE (ang. Output Enable).
PAL16R6
- układ rejestrowy
- obudowa 20 wyprowadzeń
- 2 wyprowadzenia dedykowane
- PIN 1 jako CLK do rejestrów
- PIN 11 jako sygnał OE do buforów rejestrowych
- 8 wejść logicznych
- 6 wyjść rejestrowych
- 2 wyjścia kombinacyjne (mogą pracować w trybie wejścia)
- każde wyjście rejestrowe posiada 8 termów, a wyjście kombinacyjne 7 termów oraz jeden term dla sygnału OE (podobnie jak w PAL16L8).


