PELV

Obwód PELV prądu przemiennego

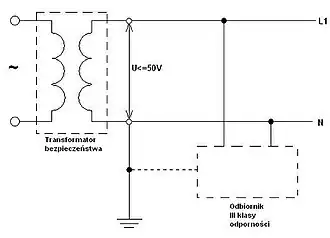
PELV (ang. Protected Extra-Low Voltage) – obwód o napięciu znamionowym bardzo niskim, z uziemieniem roboczym, zasilany ze źródła bezpiecznego zapewniający niezawodne oddzielenie elektryczne od innych obwodów. Najbardziej istotna różnica między obwodami PELV i SELV polega na tym, że części czynne obwodu PELV, tj. jeden przewód roboczy lub jeden biegun obwodu powinny być uziemione. Również części przewodzące dostępne urządzeń i obwodów PELV powinny być uziemione.

Bibliografia

  • Krzysztof Majka: Ochrona przeciwporażeniowa w urządzeniach elektroenergetycznych niskiego napięcia. Wyd. II, poprawione. Lublin: Wydawnictwo Politechniki Lubelskiej, 2003, s. 21. ISBN 83-89246-80-5. (pol.).