Przekształtnik forward
Przekształtnik forward (przetwornica przepustowa) – rodzaj przekształtnika DC/DC, przekształcający napięcie stałe na inne napięcie stałe, z galwaniczną izolacją między wejściem a wyjściem. Forward jest zasilaczem jednotaktowym – energia jest pobierana z wejścia i przekazywana do obciążenia w tym samym czasie poprzez transformator. Transformator ten – poza zapewnieniem galwanicznej izolacji – umożliwia uzyskanie różnych wartości napięć wyjściowych poprzez przekładnię.
Napięcie wyjściowe przetwornicy przepustowej zależy od napięcia wejściowego, przekładni transformatora oraz współczynnika wypełnienia przebiegu sterującego. Gdy prąd w dławiku wyjściowym jest ciągły (nie spada do zera) to napięcie wyjściowe wynosi:
gdzie:
- – napięcie wyjściowe,
- – napięcie wejściowe,
- – przekładnia transformatora,
- – współczynnik wypełnienia przebiegu sterującego.
Maksymalna wartość współczynnika wypełnienia z jakim powinien pracować przekształtnik forward wynosi 0,5. Jest to spowodowane koniecznością rozmagnesowania rdzenia transformatora (całkowitego zaniku strumienia indukcji magnetycznej) przed kolejnym załączeniem klucza. W przeciwnym wypadku każde kolejne załączenie powodowałoby sukcesywne zwiększanie strumienia indukcji magnetycznej w rdzeniu prowadząc do jego nasycenia.
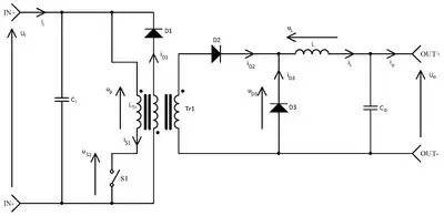
Jednotranzystorowa przetwornica przepustowa

Układ w wersji z jednym tranzystorem (rys. 1) wymaga zastosowania transformatora z trzema uzwojeniami. Jedno uzwojenie – zasilane ze źródła napięcie poprzez klucz S1 – odpowiada za generowanie strumienia magnetycznego w rdzeniu. Przenosi ono moc ze źródła do rdzenia. Drugie uzwojenie po stronie pierwotnej służy do rozmagnesowania rdzenia transformatora w drugim cyklu pracy – gdy klucz S1 nie przewodzi prądu. Strumień magnetyczny zgromadzony w rdzeniu wywołuje przepływ niewielkiego prądu przez to uzwojenie i prąd ten jest zwracany do źródła zasilania przez diodę D1. Trzecie uzwojenie, znajdujące się po stronie wtórnej połączone jest szeregowo z diodą D2, która przewodzi prąd tylko w czasie gdy klucz S1 jest w stanie przewodzenia, a napięcie na uzwojeniu wtórnym jest dodatnie. Cewka L odpowiada za podtrzymanie przepływu prądu w kolejnym kroku (gdy S1 nie przewodzi, a napięcie na uzwojeniu wtórnym transformatora jest ujemne) – prąd cewki L płynie wtedy przez diodę D3.
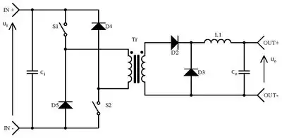
Dwutranzystorowa przetwornica przepustowa

Przekształtnik forward w wersji dwutranzystorowej (rys. 2) może dostarczyć takiej samej mocy jak wersja jednotranzystorowa. Napięcie maksymalne na kluczach jest dwa razy mniejsze niż w wersji z jednym tranzystorem. Wersja z dwoma kluczami nie wymaga dodatkowego uzwojenia na transformatorze, w zamian za to konieczne jest zastosowanie dwóch tranzystorów. Oba tranzystory (klucze S1 i S2) załączane i wyłączane są w tym samym czasie.
Zastosowanie
- w zasilaczach impulsowych o mocy nie przekraczającej kilkuset watów
- w spawarkach inwertorowych (najczęściej w wersji dwutranzystorowej)
Bibliografia
- Ödön Ferenczi: Zasilanie układów elektronicznych. Zasilacze Impulsowe. Warszawa: WNT, 1989, s. 112–120. ISBN 83-204-0963-2.
- FERYSTER® przetwornice. FERYSTER® Sp. z o.o. Sp.k.. [dostęp 2016-01-31]. [zarchiwizowane z tego adresu (2016-02-03)].