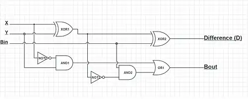
Subtraktor

Borin to Ci, a Borout to Ci+1
Subtraktor – cyfrowy układ kombinacyjny, który wykonuje operacje odejmowania dwóch (lub więcej) liczb dwójkowych.
Tak jak w przypadku sumatora, w ogólnych obliczeniach na wielobitowych liczbach, trzy bity biorą udział w wykonywaniu odejmowania dla każdego bitu różnicy: odjemna odjemnik i pożyczka od poprzedniego (mniej znaczącego) bitu Wynikiem jest bit różnicy i bit pożyczki (przeniesienie) Operację wykonaną przez subtraktor, czyli można zapisać jako gdzie:
Subtraktory są implementowane zwykle wewnątrz sumatorów w celu zminimalizowania układu, gdy operacje wykonywane są na liczbach w kodzie uzupełnień do dwóch (ZU2), przez wprowadzenie przełącznika dodawanie/odejmowanie, który wykonuje odpowiednio przekazanie lub negację drugiego operandu:
- – wynika z definicji wyznaczania liczby przeciwnej do danej w ZU2
Tabela prawdy dla subtraktora półpełnego
| Wejścia | Wyjścia | ||
|---|---|---|---|
| X | Y | D | Bout |
| 0 | 0 | 0 | 0 |
| 0 | 1 | 1 | 1 |
| 1 | 0 | 1 | 0 |
| 1 | 1 | 0 | 0 |
Tabela prawdy dla subtraktora pełnego
| Wejścia | Wyjścia | |||
|---|---|---|---|---|
| X | Y | Bin | D | Bout |
| 0 | 0 | 0 | 0 | 0 |
| 0 | 0 | 1 | 1 | 1 |
| 0 | 1 | 0 | 1 | 1 |
| 0 | 1 | 1 | 0 | 1 |
| 1 | 0 | 0 | 1 | 0 |
| 1 | 0 | 1 | 0 | 0 |
| 1 | 1 | 0 | 0 | 0 |
| 1 | 1 | 1 | 1 | 1 |