Tranzystor jednozłączowy
.jpg)
Tranzystor jednozłączowy (UJT) (ang. unijunction transistor (UJT)), zwany również diodą dwubazową – przyrząd półprzewodnikowy przełączający zawierający jedno złącze p-n i 3 elektrody (Emiter, Baza 1, Baza 2).
Opis
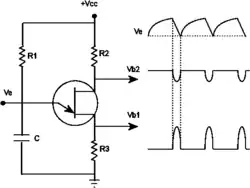
Podczas pracy tranzystora pomiędzy elektrodami B1 i B2 powstaje rezystancja o wartości kilku kiloomów oraz potencjał niepodłączonego emitera, wynoszący zazwyczaj połowę napięcia pomiędzy elektrodami bazowymi. Kiedy napięcie na emiterze jest mniejsze niż napięcie progowe, złącze p-n jest spolaryzowane zaporowo. Gdy wartość napięcia emitera przekroczy napięcie progowe, złącze jest spolaryzowane w kierunku przewodzenia, prąd emitera uzyskuje duże wartości i jednocześnie maleje rezystancja pomiędzy elektrodami bazowymi.
![]() |
![]() |
![]() |
![]() |
| Symbol graficzny | Budowa struktury | Charakterystyka prądowo-napięciowa | Schemat generatora |
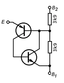
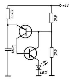
Tranzystory jednozłączowe zostały zastąpione programowalnymi tranzystorami jednozłączowymi PUT (programmable unijunction transistor). Są to elementy zbudowane z dwóch odpowiednio połączonych ze sobą tranzystorów bipolarnych. Cechą charakterystyczną jest możliwość zmiany napięcia progowego. Ze względu na swoją czterowarstwową budowę przypominającą tyrystor, zostały zaliczone do grupy prostowników sterowanych (tyrystorów). Popularne zastosowanie tranzystora, opartego na układzie zastępczym zbudowanym z dwóch tranzystorów bipolarnych to proste generatory i układy sterowania fazowego tyrystorów (np. ściemniacze oświetlenia).
![]() |
![]() |
![]() |
| Schemat zastępczy | Budowa struktury PUT | Schemat generatora błysków LED |
Tranzystory cieszyły się popularnością na zachodzie w latach 70.–80. XX wieku, stosowane do budowy prostych generatorów do czasu pojawienia się układu timera NE555. Tranzystory jednozłączowe nie były produkowane w Polsce. Przykładem popularnego dawniej i dostępnego na rynku do dzisiaj tranzystora jednozłączowego jest 2N2646.
Bibliografia
inż Jan Piotrkowicz. Co, czym i jak zastąpić. „Radioelektronik”. 5 '88, s. 5-8. Warszawa: Sigma. ISSN 0137-6802.






