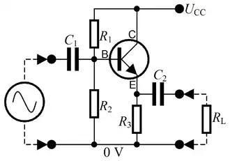
Wspólny kolektor

(dla sygnałów zmiennych zacisk zasilania Ucc ma ten sam potencjał co zacisk masy 0 V)
Wspólny kolektor – jeden z trzech podstawowych układów wzmacniaczy na tranzystorach bipolarnych, odpowiednik układów ze wspólnym drenem na tranzystorach FET i ze wspólną anodą na lampach elektronowych; pozostałe dwa układy wzmacniaczy to układy ze wspólną bazą oraz ze wspólnym emiterem.
Zasadniczą cechą tego rodzaju wzmacniaczy jest to, że wzmacniane napięcie sygnału wejściowego podawane jest pomiędzy bazę a kolektor tranzystora, natomiast sygnał po wzmocnieniu odbierany jest spomiędzy kolektora a emitera. Kolektor jest więc "wspólny" dla sygnałów wejściowego i wyjściowego - stąd nazwa układu.
Wzmacniacz ze wspólnym kolektorem ma wzmocnienie napięciowe równe jeden (ściślej: nieznacznie mniej niż jeden), wobec czego na wyjściu wzmacniacza otrzymuje się "powtórzone" napięcie z wejścia, stąd druga powszechnie używana nazwa takich wzmacniaczy - wtórnik emiterowy. Pomimo braku wzmocnienia napięciowego, wtórniki emiterowe charakteryzują się wysokim wzmocnieniem prądowym. Impedancja wejściowa wzmacniacza w tym układzie jest wysoka, a wyjściowa - niska. Układ często wykorzystywany wszędzie tam, gdzie zachodzi potrzeba wysterowania następnych stopni wzmacniacza wymagających stosunkowo dużego sygnału prądowego, np. do sterowania stopni końcowych wzmacniaczy dużej mocy. Wykorzystywany również jako stopień separujący.
Zobacz też
Bibliografia
- Bernard Buśko, Vademecum zastosowania elektroniki, Wydawnictwo Ministerstwa Obrony Narodowej, wydanie III uzupełnione, Warszawa 1972