Generator Pierce'a
Generator Pierce’a – typ układu elektronicznego oscylatora szczególnie dobrze nadającego się do budowy układów z rezonatorem kwarcowym. Nazwa generatora pochodzi od nazwiska jego wynalazcy, którym był amerykański fizyk George Washington Pierce (1872–1956)[1][2]. Generator kwarcowy Pierce’a jest odmianą generatora Colpittsa. Prawie wszystkie układy scalone oscylatorów zegarkowych są typu Pierce’a ze względu na prostotę budowy. W najprostszych implementacjach używa się inwertera, dwóch rezystorów, dwóch kondensatorów i rezonatora kwarcowego, co składa się na dobry filtr selektywny. Niski koszt produkcji układu oraz zadowalająca stabilizacja oscylacji rezonatora kwarcowego są niewątpliwą zaletą, dającą przewagę w zastosowaniu w wielu aplikacjach elektronicznych.
Działanie

Rezystor polaryzujący
R1 działa jako ujemne sprzężenie zwrotne, pomagając ustalić punkt pracy inwertera U1 w jego liniowej części charakterystyki. Aby to zrozumieć, należy założyć idealność inwertera, a więc nieskończoną impedancję wejściową i zerową impedancję wyjściową. Wtedy rezystor sprawia, że potencjał wejścia i wyjścia inwertera jest równy, co skutkuje, że inwerter nigdy nie będzie w pełni w stanie niskim ani wysokim – tylko w obszarze przejściowym, gdzie będzie miał wzmocnienie. Dla inwerterów w technice CMOS rezystancja R1 jest rzędu megaomów. Element oznaczony jako R ogranicza prąd samego rezonatora, a poza tym jest również elementem ujemnego sprzężenia zwrotnego. Wartość R zależy przede wszystkim od napięcia zasilania oraz właściwości samego rezonatora kwarcowego. Dla TTL stosuje się przeważnie układ na dwóch lineryzowanych inwerterach, gdzie rezonator kwarcowy jest elementem pętli dodatniego sprzężenia zwrotnego, ale to już nie jest układ Pierce’a[3].
Rezonator kwarcowy
Rezonator kwarcowy współpracujący z pojemnościami C1 i C2 tworzy filtr typu Π o charakterystyce środkowoprzepustowej, wprowadzając odpowiednie wzmocnienie napięciowe z wyjścia do wejścia i przesunięcie fazowe 180° dla częstotliwości rezonansowej obwodu rezonatora i kondensatorów (rezonans prądów). Przy tej częstotliwości rezonator dla obwodu widziany jest jako indukcyjność o dużej wartości i dobroci Q. Zestawienie przesunięcia fazowego o 180° stopni w pętli sprzężenia i ujemnego wzmocnienia inwertera skutkuje powstaniem dodatniego sprzężenia, niestabilności punktu pracy wytworzonego przez R1 i w efekcie powstania oscylacji.
Pojemność ładowania
Całkowita pojemność widziana z rezonatora kwarcowego nazywana jest pojemnością obciążenia. Przy konstruowaniu generatora Pierce’a z rezonatorów dostarczanych przez producentów używa się specjalnych pojemności (często 18 lub 20 pF) regulując ich pojemność do osiągnięcia wymaganej częstotliwości.
W celu ustalenia takiej samej częstotliwości, należy mieć pewność, że pojemności w obwodzie zgadzają się z wartościami w nocie katalogowej rezonatora kwarcowego.
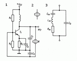
Wersja na tranzystorze bipolarnym

Generator Pierce’a jest odmianą generatora Colpittsa, w którym rezonator kwarcowy używany jest jako element indukcyjny. Zatem zasada jego działania nie różni się znacznie od założeń występujących w wersji Colpittsa. Polega ona zatem na wytworzeniu sprzężenia zwrotnego przesuniętego w fazie o 180° między wyjściem generatora a bazą tranzystora. Sygnał ten po wzmocnieniu służy do podtrzymywania drgań. W układach generacyjnych konieczne jest spełnienie dwóch warunków; pierwszy z nich – warunek fazy (odwrócenie fazy o wielokrotność 360°) – zapewniany jest poprzez układ kondensatorów i rezonatora kwarcowego (180°) oraz sam układ pracy wzmacniacza w postaci układu wspólnego emitera (kolejne 180°). Drugi z nich – warunek amplitudy (wzmocnienie jednostkowe) – zapewniane jest przez stosunek obwodu rezonansowego. W wypadku wysokich częstotliwości (setki MHz) stosuje się tzw. generatory overtonowe pracujące przeważnie w układzie ze wspólną bazą.
Zobacz też
Przypisy
- ↑ George W. Pierce (October 1923) „Piezoelectric crystal resonators and crystal oscillators applied to the precision calibration of wavemeters,”Proceedings of the American Academy of Arts and Sciences, vol. 59, no. 4, s. 81–106.
- ↑ George W. Pierce, „Electrical System,” U.S. patent 2,133,642 (filed: 25 February 1924; issued: 18 October 1938). Dostępny on-line: Amerykański patent Pierce’a. [dostęp 2011-01-03]. (ang.).
- ↑ Generator, s. 21. [dostęp 2011-03-18]. [zarchiwizowane z tego adresu (2016-03-04)].