Karol Pollak (elektrotechnik)
![]() | |
| Pełne imię i nazwisko |
Franciszek Karol Pollak |
|---|---|
| Data i miejsce urodzenia |
15 listopada 1859 |
| Data i miejsce śmierci |
17 grudnia 1928 |
| Zawód, zajęcie |
wynalazca, przemysłowiec |
| Narodowość |
polska |
| Rodzice |
Karol, Maria |
| Krewni i powinowaci |
m.in. Michał (rodzeństwo) |
| Odznaczenia | |

Karol Franciszek Pollak (ur. 15 listopada 1859 w Sanoku, zm. 17 grudnia 1928 w Białej[1]) – polski elektrotechnik, przedsiębiorca i wynalazca.
Dzieciństwo i młodość
Był synem pochodzącego z Moraw oraz osiadłego w Sanoku drukarza, księgarza i wydawcy Karola Pollaka (1818–1880)[2] i Marii z domu Zaręba[3] wzgl. Zaremba (1833[3]–1911)[4][5]. Właściwie nazywał się Franciszek Karol Pollak, jednak używał imienia Karol[6][7]. Miał dziesięcioro rodzeństwa, w tym m.in. Rudolfa (ur. 1853)[8], Annę (ur. 1855)[9], Mariannę (zm. 11 maja 1863 w wieku 5,5 lat)[10], Antoniego Alojzego (1862–1863[11][12]), Michała (1865–1931), dziennikarza, księgarza[6], Helenę Józefę (1867–1950)[13][6], od 1904 zamężną z Wojciechem Ślączką[14][6], Marię Wandę (1869–1894)[15][6][16], Antoniego Władysława (ur. 1870[17], Józefa (zm. 1872 w wieku 1,5 roku)[18], Jadwigę Michalinę (ur. 1872)[19], od 1910 zamężną z Mieczysławem Kulikowskim[20][6], Elżbietę Zofię (1877–1913)[21], po mężu Chabińską[6][22].
Uczył się w Sanoku, Stryju i Lwowie, wykazując duże uzdolnienia techniczne. W latach młodości pracował wykonując instalacje elektryczne. W 1883 rozpoczął pracę w laboratoriach brytyjskiej firmy „The Patent Utilisation Co”. Już w tym okresie skonstruował i opatentował kilka wynalazków. W 1885 studiował elektronikę na politechnice w Berlinie-Charlottenburgu.
Działalność
W Berlinie Pollak prowadził fabrykę sprzętu elektrotechnicznego „G. Wehr Telegraphen-Bau-Anstalt”, a następnie powrócił do Wielkiej Brytanii w celu eksploatacji swoich patentów, które przekazał pod zanglicyzowaną formą swojego imienia, jako „Charles Pollak”. W 1886 został dyrektorem paryskiego przedsiębiorstwa eksploatującego tramwaje elektryczne jego pomysłu. Równocześnie pracował nad budową akumulatorów, co przyniosło mu duże sukcesy i rozgłos. Założył fabryki akumulatorów „Accomulatoren-Werke System Pollak” we Frankfurcie nad Menem[23] i w Liessing w Austrii. Inne firmy również produkowały akumulatory na jego licencji. Prezentował akumulatory na Powszechnej Wystawie Krajowej we Lwowie w 1894, podczas której otrzymał dyplom honorowy[24]. W 1899 założył własne laboratorium i prowadził dalsze badania. Łącznie uzyskał 98 patentów na swoje wynalazki.
W 1922 powrócił do Polski i w 1923 roku założył fabrykę akumulatorów w Białej, która istnieje do dziś. Firma rozpoczęła działalność pod nazwą Polskie Towarzystwo Akumulatorowe, a współzałożycielem jej był profesor Ignacy Mościcki, późniejszy prezydent Polski[25]. Pollak był pierwszym dyrektorem fabryki.
Pollak był nazywany Polskim Edisonem[25]. W 1924 otrzymał tytuł doktora honoris causa Politechniki Warszawskiej. Uchwałą Rady Miejskiej w Sanoku z około 1924/1925 został uznany przynależnym do gminy Sanok[26].
Najważniejsze wynalazki
Jego liczne wynalazki dotyczą różnych dziedzin, są wśród nich napędy elektryczne, opracowanie maszyny drukarskiej do druku w kolorze i rodzaj mikrofonu. Główna działalność dotyczyła jednak chemicznych źródeł energii – ogniw galwanicznych i akumulatorów elektrycznych. Posiadał on patent na produkcję akumulatorów ołowiowo-kwasowych.

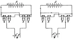
Skonstruował także prostowniki komutatorowe i elektrolityczne. Jako pierwszy zaproponował w 1895 zastosowanie prostowniczego układu mostkowego[27].
W 1896 Karol Pollak wynalazł również kondensator elektrolityczny[28].
Ordery i odznaczenia
- Krzyż Oficerski Orderu Odrodzenia Polski (28 kwietnia 1926)[29]
Przypisy
- ↑ Pollak Karol Franciszek, [w:] Encyklopedia PWN [online], Wydawnictwo Naukowe PWN [dostęp 2014-02-26].
- ↑ Edward Zając: Szkice z dziejów Sanoka. Sanok: Miejska Biblioteka Publiczna im. Grzegorza z Sanoka w Sanoku, 1998, s. 180–182, 184, 187. ISBN 83-909787-0-9.
- 1 2 Księga chrztów 1816–1836. Parafia rzymskokatolicka w Sanoku, s. 383.
- ↑ Kronika. „Tygodnik Ziemi Sanockiej”, s. 3, nr 42 z 8 października 1911.
- ↑ Alojzy Zielecki, Społeczeństwo Sanoka u progu XX wieku, W epoce autonomii galicyjskiej, w: Sanok. Dzieje miasta, Praca zbiorowa pod redakcją Feliksa Kiryka, Kraków 1995, s. 450.
- 1 2 3 4 5 6 7 Księga aktów zejść rzym.-kat. Sanok 1878–1904. T. H. Sanok: Parafia Przemienienia Pańskiego w Sanoku, s. 23 (poz. 55).
- ↑ Jadwiga Zaleska: Karol Pollak – typographus sanocensis i dzieje jego drukarni. W: Rocznik Sanocki 1986. T. VI: 1986. Rzeszów: Towarzystwo Rozwoju i Upiększania Miasta Sanoka, 1988, s. 28. ISBN 83-03-02288-1.
- ↑ Księga chrztów 1836–1857. Parafia rzymskokatolicka w Sanoku, s. 314 (poz. 44).
- ↑ Księga chrztów 1836–1857. Parafia rzymskokatolicka w Sanoku, s. 358 (poz. 32).
- ↑ Księga zmarłych 1855–1878 Sanok. Parafia rzymskokatolicka w Sanoku, s. 109 (poz. 78).
- ↑ Księga chrztów 1861–1870. Parafia rzymskokatolicka w Sanoku, s. 18 (poz. 47).
- ↑ Księga zmarłych 1855–1878 Sanok. Parafia rzymskokatolicka w Sanoku, s. 111 (poz. 100).
- ↑ Księga chrztów 1861–1870. Parafia rzymskokatolicka w Sanoku, s. 104 (poz. 96).
- ↑ Księga małżeństw 1888–1905 Sanok. Sanok: Parafia Przemienienia Pańskiego w Sanoku, s. 219 (poz. 21).
- ↑ Księga chrztów 1861–1870. Parafia rzymskokatolicka w Sanoku, s. 123 (poz. 14).
- ↑ Księga aktów zejść rzym.-kat. Sanok 1878–1904. T. H. Sanok: Parafia Przemienienia Pańskiego w Sanoku, s. 224 (poz. 184).
- ↑ Księga chrztów 1870–1882. Parafia rzymskokatolicka w Sanoku, s. 4 (poz. 68a).
- ↑ Księga zmarłych 1855–1878 Sanok. Parafia rzymskokatolicka w Sanoku, s. 258 (poz. 29).
- ↑ Księga chrztów 1870–1882. Parafia rzymskokatolicka w Sanoku, s. 41 (poz. 153).
- ↑ Księga małżeństw rz. kat. Sanok (1905–1912). Parafia Przemienienia Pańskiego w Sanoku, s. 86 (poz. 45).
- ↑ Księga chrztów 1870–1882. Parafia rzymskokatolicka w Sanoku, s. 107 (poz. 188).
- ↑ Kronika. Zmarli. „Tygodnik Ziemi Sanockiej”, s. 3, Nr 13 z 23 marca 1913.
- ↑ Kronika. Wiadomości osobiste. „Gazeta Sanocka”, s. 3, nr 73 z 23 sierpnia 1896.
- ↑ Przemysł i rękodzieła sanoczan na Wyst. krajowej. „Gazeta Sanocka”, s. 2, Numer okazowy z 16 grudnia 1894.
- 1 2 Historia EnerSys Sp. z o.o.. EnerSys Sp. z o.o.. [dostęp 2018-12-17]. (pol.).
- ↑ Księga przynależnych do gminy Królewskiego Wolnego Miasta Sanoka. s. 385 (poz. 126).
- ↑ Patent brytyjski 24398.
- ↑ Patent niemiecki D.R.P. 92564.
- ↑ M.P. z 1926 r. nr 99, poz. 294 „za zasługi, położone na polu rozwoju elektrotechniki”.
Bibliografia
- Jerzy Kubiatowski (J. K.), Pollak Karol, w: Słownik polskich pionierów techniki (pod redakcją Bolesława Orłowskiego), Katowice 1984, s. 166–167.
- Jadwiga Zaleska: Karol Pollak – typographus sanocensis i dzieje jego drukarni. W: Rocznik Sanocki 1986. T. VI: 1986. Rzeszów: Towarzystwo Rozwoju i Upiększania Miasta Sanoka, 1988, s. 28–29. ISBN 83-03-02288-1.
- Encyklopedia PWN, Tom 2, Warszawa 1991.
- Karol Pollak. sejm-wielki.pl. [dostęp 2014-10-25].
