Przerzutnik typu RS
Przerzutnik typu RS – najprostszy rodzaj przerzutnika asynchronicznego. Można go wykonać zarówno z dwóch bramek logicznych NOR lub dwóch bramek logicznych NAND.
_Flip-flop.svg.png)

Ma on:
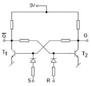
Przerzutnik zbudowany na dwóch tranzystorach
Tablica stanów dla przerzutnika.
| S | R | ||
|---|---|---|---|
| 0 | 0 | ||
| 0 | 1 | 0 | 1 |
| 1 | 0 | 1 | 0 |
| 1 | 1 | – | – |
Stan w którym oba wejścia są w stanie wysokim jest stanem zabronionym. Jest on niezgodny z definicją stanów wyjściowych przerzutnika[1].
Zasada działania
Przerzutnik ten jest zbudowany na bazie dwóch kluczy tranzystorowych.
Kiedy na wejście układu podany jest stan niski, wtedy tranzystor nie będzie przewodził. Dlatego gdy wejście układu jest niepodłączone, a wyjście nie jest obciążone, to napięcie wyjściowe jest równe napięciu zasilania.
Dla stanu wysokiego na wejściu (Uwe > 0,7 V) tranzystor wchodzi w nasycenie. Napięcie wyjściowe będzie wtedy równe spadkowi napięcia na tranzystorze. W stanie nasycenia jest on bardzo mały w stosunku do spadku napięcia na rezystorze 330Ω. Wyjście jest wtedy w stanie niskim (Uwy ≈ 0,1V). Ten fragment przerzutnika realizuje funkcję inwertera.
Dwa inwertery składające się na układ przerzutnika są połączone tak, aby wyjście każdego z nich było podane na wejście przeciwnego. Taki układ ma dwa stany stabilne. To który stan ustali się po włączeniu zasilania zależy od niewielkich różnic w układach inwerterów.
Aby przenieść układ do drugiego stanu ustalonego należy wymusić wysokie lub niskie (w stosunku do UBE w stanie nasycenia) napięcie na bazie jednego z tranzystorów. W tym celu do baz tranzystorów podłącza się sygnały sterujące.
Rezystory 1,5kΩ ograniczają prąd wejściowy, natomiast diody odcinają wejścia A i B, kiedy panuje na nich napięcie niższe, niż napięcie na bazach tranzystorów, dzięki temu stan niski na wejściach A, B nie zmienia stanu przerzutnika.
Stan niski na A i wysoki na B powoduje, że tranzystor T2 przewodzi, wtedy UWY2 jest w stanie niskim oraz UWY1 jest w stanie wysokim. Po zmianie stanu B na niski przerzutnik pozostaje w danym stanie stabilnym.
Podanie stanu wysokiego na oba wejścia sterujące spowoduje, że oba wyjścia będą w stanie niskim, ale po zmianie sygnałów sterujących układ powróci do stanu stabilnego.
.svg.png)
Przyjmijmy, że wyjście wy2 odpowiada wyjściu niezanegowanemu, a wy1 wejściu zanegowanemu. Wtedy wejście B wymuszające zero na wyjściu niezanegowanym nazwiemy wejściem resetującym, natomiast wejście A wejściem zapisującym (wymusza stan niski na wejściu zanegowanym).
Przerzutnik zbudowany z dwóch bramek NOR
Tabela przedstawia zależność wyjść od stanu wejść. Qn−1 oznacza stan poprzedni (pamięć). W stanie zabronionym na obu wyjściach pojawia się logiczne 0.
| S | R | Qn | Qn |
|---|---|---|---|
| 0 | 0 | Qn−1 | Qn−1 |
| 0 | 1 | 0 | 1 |
| 1 | 0 | 1 | 0 |
| 1 | 1 | stan zabroniony | stan zabroniony |
Przerzutnik zbudowany z dwóch bramek NAND

Tabela przedstawia zależność wyjść od stanu wejść. Wejścia przerzutnika z bramek NAND są zanegowane, co oznacza że stanem aktywnym jest logiczne 0. Qn−1 oznacza stan poprzedni (pamięć). W stanie zabronionym na obu wyjściach pojawia się logiczna 1.
| S | R | Qn | Qn |
|---|---|---|---|
| 0 | 0 | stan zabroniony | stan zabroniony |
| 0 | 1 | 1 | 0 |
| 1 | 0 | 0 | 1 |
| 1 | 1 | Qn−1 | Qn−1 |
Zobacz też
Przypisy
- ↑ Przerzutniki. [dostęp 2012-10-12].
Bibliografia
- Mirosław Rusek, Jerzy Pasierbiński: Elementy i układy elektroniczne w pytaniach i odpowiedziach. Warszawa: Wydawnictwa Naukowo-Techniczne, 1991, s. 419–420. ISBN 83-204-1070-3.