Multiwibrator
Multiwibrator – układ elektroniczny, zrealizowany w oparciu o przekaźniki elektromechaniczne, lampy (w tym neonówki), tranzystory, diody tunelowe bądź inne elementy przełączające, posiadający dwa lub więcej stanów równowagi trwałej bądź nietrwałej.
Multiwibrator dwustanowy bistabilny

Jest to multiwibrator o dwóch stanach stabilnych, tj. posiada dwa punkty pracy, w których równowaga układu jest trwała. Przejście z jednego stanu trwałego do drugiego następuje poprzez wprowadzenie impulsu z zewnątrz (w podanym przykładzie poprzez podanie krótkiego impulsu ujemnego na bazę tego tranzystora, który ma zostać wyłączony).
Działanie
Załóżmy, że w danej chwili tranzystor Q1 przewodzi; wówczas na jego kolektorze napięcie jest bliskie 0 (równe napięciu nasycenia tranzystora ). To napięcie jest podawane przez rezystor R3 na bazę tranzystora Q2, przez co jest on niewysterowany, napięcie na jego kolektorze jest bliskie napięciu +V. Napięcie to, podane przez rezystor R4 na bazę Q1, podtrzymuje jego stan nasycenia. Mamy więc stan stabilny układu.
Jeżeli teraz do bazy Q1 (wejście „Reset” na rysunku) doprowadzony zostanie impuls ujemny o amplitudzie i czasie trwania wystarczającym do odcięcia tego tranzystora, to: przestaje płynąć prąd kolektora → zmniejsza się znacznie spadek napięcia na rezystorze R1 → rośnie napięcie na kolektorze tranzystora Q1 → zaczyna płynąć prąd bazy Q2 → zaczyna płynąć prąd kolektora Q2 → rośnie spadek napięcia na rezystorze R2 → obniża się napięcie na kolektorze Q2 (tranzystor wchodzi w stan nasycenia) → niski poziom napięcia na kolektorze Q2 przez rezystor R4 podtrzymuje stan wyłączenia tranzystora Q1 – układ jest w drugim stanie stabilnym.
Z punktu widzenia techniki cyfrowej, jeżeli jako wyjścia traktować kolektory tranzystorów, przedstawiony wyżej układ zachowuje się jako przerzutnik RS wyzwalany poziomem.
Stan, w którym oba wejścia multiwibratora bistabilnego są wysterowane nazywany jest stanem zabronionym, jednak nie ze względu na to, że powoduje on uszkodzenie układu, ale ze względu na fakt, iż stan ten zaprzecza równaniu logicznemu wyjść przerzutnika RS (Q1 = ~Q2), ponieważ wówczas po prostu na kolektorach obydwu tranzystorów pojawi się stan wysoki napięcia (w przybliżeniu napięcie zasilania V+).
Jeżeli wejścia Set i Reset podłączone zostaną przez kondensatory o niewielkiej pojemności, układ będzie pracował jako przerzutnik typu RS wyzwalany zboczem.
Poniższy układ można poprzez dodanie dwóch kondensatorów, dwóch diod oraz dwóch rezystorów przekształcić w przerzutnik typu T:

Obwód ten był bardzo popularny przed pojawieniem się układów scalonych jako dzielnik częstotliwości (podział przez 2). Używany był w analogowych instrumentach elektronicznych, np. organach elektronicznych.
Multiwibrator dwustanowy monostabilny

Inaczej uniwibrator, Jest to multiwibrator o jednym stanie równowagi trwałej i jednym nietrwałej.
Działanie
W stanie równowagi trwałej tranzystor Q2 przewodzi, a Q1 jest odcięty. Kondensator C1 jest naładowany do napięcia zasilania pomniejszonego o spadek napięcia na przewodzącym złączu baza-emiter tranzystora Q2 spolaryzowanego przez rezystor R2.
Jeżeli do bazy Q2 zostanie doprowadzony impuls ujemny, to tranzystor wyłączy się i na jego kolektorze pojawi się napięcie bliskie +V, które przez rezystor R4 wprowadzi tranzystor Q1 w stan przewodzenia. Napięcie na kolektorze Q1 spadnie do wartości bliskiej zero. Ponieważ kondensator C był naładowany to skok napięcia na kolektorze Q1 przeniesie się na bazę Q2 z przesunięciem w stronę wartości ujemnych o wartość napięcia na kondensatorze (wynika to z własności kondensatora – napięcie na jego okładkach nie może zmienić się w sposób gwałtowny).
Na bazie tranzystora Q2 mamy teraz napięcie:
-
- Ub2 – napięcie na bazie Q2
- Uc1 – napięcie na kolektorze nasyconego tranzystora Q1 (zależnie od prądu kolektora Q1, do 0,25 V)
- V+ – napięcie zasilania
- Ube – napięcie na przewodzącym złączu baza-emiter (ok. 0,7 V)
Kondensator C1 zaczyna ładować się poprzez rezystor R2, napięcie na bazie tranzystora Q2 zaczyna narastać i gdy osiągnie napięcie przewodzenia złącza baza-emiter Q2 (ok. 0,6-0,7 V) to tranzystor ten zacznie przewodzić → obniży się poziom napięcia na jego kolektorze (do poziomu napięcia nasycenia) → ponieważ napięcie nasycenia jest niższe od napięcia przewodzenia złącza B-E, to przestaje płynąć prąd bazy Q1 i tranzystor ten wyłącza się → przestaje płynąć prąd kolektora Q1 → kondensator C1 zaczyna się ładować do stanu wyjściowego przez rezystor R1. Po naładowaniu się kondensatora C1, układ jest gotowy do następnego wyzwolenia.
Czas trwania stanu przewodzenia Q1, nazywany też czasem regeneracji, jest proporcjonalny do stałej czasowej R2C1 i wynosi w przybliżeniu:
Uwaga: Jeżeli napięcie zasilania V+ jest większe od 5-6 V to w układzie włącza się dodatkowo, szeregowo z bazą Q2 diodę półprzewodnikową małej mocy zabezpieczającą ten tranzystor przed uszkodzeniem w momencie gdy na jego bazie pojawia się duże ujemne napięcie (moment wyzwolenia). Wynika to z faktu, że współczesne tranzystory mają niskie napięcie przebicia złącza baza-emiter, przy polaryzacji wstecznej, wynoszące ok. 5-6 V.
Wśród multiwibratorów monostabilnych można wyróżnić układy:
- wyzwalane poziomem, lub tzw. „uniwibratory z podtrzymaniem”, w których stan równowagi nietrwałej jest podtrzymywany co najmniej do zakończenia impulsu wejściowego. Po zakończeniu tego impulsu rozpoczyna się czas regeneracji, po którym układ wraca do stanu stabilnego. Powtórzenie impulsu wejściowego przed upływem czasu regeneracji spowoduje jego przedłużenie
- wyzwalane zboczem, w których zmiany sygnału wejściowego są ignorowane do czasu zakończenia stanu nietrwałego (inaczej: nieretrygerowalne, ang. non-retriggerable), układ przebywa w stanie nietrwałym przez określony czas regeneracji, zaś kolejne impulsy sygnału wejściowego nadchodzące w tym czasie nie powodują jego wydłużenia
- wyzwalane zboczem, z możliwością przedłużenia czasu regeneracji przez kolejne takie samo zbocze (inaczej retrygerowalne, ang. retriggerable)
- resetowalne (z zerowaniem), w których okres regeneracji można skrócić, np. wykorzystując do tego celu osobne wejście kasujące
Zastosowanie
Klasycznym przykładem wykorzystania uniwibratora jest oświetlenie na klatce schodowej: krótkie naciśnięcie przycisku powoduje załączenie zasilania lamp na czas znacznie dłuższy. Układ stosuje się również w celu wyeliminowania drgań zestyków przełączników (w momencie przełączania styki wyłącznika odbijają się kilkukrotnie od siebie nim zetkną się na stałe).
Multiwibrator dwustanowy astabilny

Jest to układ przechodzący cyklicznie z jednego do drugiego stanu równowagi nietrwałej, jest zatem odmianą generatora relaksacyjnego.
Działanie
Po włączeniu zasilania, ze względu na niesymetrię istniejącą w układach rzeczywistych (różne wzmocnienia tranzystorów, tolerancje wartości rezystorów) jeden z tranzystorów zaczyna przewodzić trochę szybciej od drugiego, przez co napięcie na jego kolektorze spada trochę szybciej niż na drugim. Skok napięcia przenosi się przez częściowo naładowany kondensator sprzęgający powodując odcięcie drugiego tranzystora. Powiedzmy, że w naszym układzie Q1 był szybszy. W układzie ustala się następujący stan: Q1 przewodzi, Q2 odcięty, C1 rozładowuje się przez R2 i przewodzący tranzystor Q1, C2 ładuje się przez R4 i przewodzące złącze baza-emiter tranzystora Q1. W tym stanie na skutek ładowania się C2, narasta napięcie na kolektorze Q2, ze stałą czasową R4*C2 (dlatego też zbocza narastające przebiegów na kolektorach tranzystorów nie są ostre). Na skutek rozładowywania się C1 przez R2 narasta napięcie na bazie Q2, gdy osiągnie ono wartość ok. 0,6–0,7 V (dla tranzystorów krzemowych), to tranzystor Q2 zacznie przewodzić → spada gwałtownie napięcie na jego kolektorze → skok napięcia przeniesiony przez naładowany kondensator C2 → wymusza duże ujemne (względem masy) napięcie zatykające tranzystor Q1 → zaczyna się ładować kondensator C1 przez rezystor R1 (stała czasowa R1*C1) i przewodzące złącze baza-emiter Q2 (podtrzymując tym stan jego włączenia). Po naładowaniu się C1 stan nasycenia tranzystora Q2 jest podtrzymywany przez prąd płynący do jego bazy przez rezystor R2. W tym miejscu nastąpiło zakończenie akcji przerzutu układu. Stan ten będzie trwał do momentu gdy napięcie na rozładowującym się kondensatorze C2 (lewa okładka) osiągnie wartość przewodzenia tranzystora Q1 (czyli w ok. wartości 0,6-0,7 V).
Dla prawidłowej pracy układu konieczne jest zapewnienie w układzie, że stałe czasowe ładowania kondensatorów będą dużo mniejsze (4,6 razy i więcej) niż stałe czasu ich rozładowania, tj.
- oraz
ma to na celu zapewnienie, że dany kondensator będzie w pełni naładowany w momencie rozpoczęcia przerzutu.
Drugi warunek to takie dobranie rezystorów (pary R1, R3 i R4, R2) by tranzystory się nasycały, tj. był spełniony warunek:
oraz
- – wzmocnienie prądowe tranzystora (oznaczane też w katalogach jako h21E ← E duże)
(we wzorach są różne parametry wzmocnienia, ponieważ w rzeczywistych układach tranzystory mają różną wartość tego parametru, ze względu na rozrzuty produkcyjne pomiędzy poszczególnymi egzemplarzami)
Ponieważ w momencie włączenia zasilania wartości napięć na kondensatorach nie są precyzyjnie ustalone to pierwszy-drugi okres przebiegu mają krótszy czas trwania niż to wynika z wzorów obliczeniowych.
Czas trwania włączenia Q1 (stan niski na jego kolektorze), przy spełnionym warunku doboru stałych czasowych:
Czas trwania włączenia Q2 (stan niski na jego kolektorze):
okres drgań multiwibratora:
- [s]
częstotliwość:
- [Hz]
Czasy trwania obu faz pracy multiwibratora. W praktyce maksymalna asymetria, lub współczynnik wypełnienia, wynosi 1:50.
W układzie idealnym (symulacja w programie komputerowym, np. NAP, PSPICE) samoistny start układu nie nastąpi, ponieważ program najpierw wylicza tzw. punkt pracy układu (tj. napięcia na poszczególnych węzłach) bez uwzględnienia istnienia pojemności w układzie, a ze względu na idealną symetrię wartości elementów, w układzie ustalą się symetryczne napięcia, tj. oba tranzystory przewodzą → na obu kolektorach jest stan niski. W momencie rozpoczęcia analizy czasowej układ nie jest w stanie przejść samoistnie do normalnej pracy astabilnej, bo na obu kondensatorach jest takie samo napięcie. Wyjściem z tej sytuacji jest sztuczne wprowadzenie asymetrii w układzie (np. różne wzmocnienia tranzystorów, trochę różne wartości rezystorów kolektorowych) lub wymuszenie jednego ze stanów niestabilnych przez ręczne ustawienie napięć na kolektorach tranzystorów (na jednym 0, a na drugim napięcie zasilania).
Podobnie jak w układzie monostabilnym, przy napięciach zasilania wyższych niż 5-6 V należy stosować szeregowe diody zabezpieczające złącza baza-emiter tranzystorów przed przebiciem wstecznym.
W układach, w których rezystory R2 i R3 są zmienne (przy uwzględnieniu wymienionych wyżej ograniczeń), możliwe są następujące rodzaje regulacji:
- zmiana częstotliwości przy stałym czasie trwania jednej (dodatniej lub ujemnej) części impulsu (zmiana wartości jednego z rezystorów);
- zmiana częstotliwości przy stałym wypełnieniu (zmiana wartości obu rezystorów jednocześnie przy stałym ich stosunku);
- zmiana wypełnienia przy stałej częstotliwości (jeżeli C2 i C1 są równe, zmiana wartości obu rezystorów jednocześnie przy zachowaniu stałej ich sumy).
Zastosowanie
Układ służy głównie do generacji przebiegów prostokątnych dla zastosowań, w których stabilność częstotliwości nie jest krytyczna, np. sygnalizatory akustyczne, sygnalizatory świetlne, obwody sprzężenia zwrotnego zasilaczy impulsowych itp.
Multiwibratory o liczbie biegunów (faz) większej niż 2
Konstruowanie multiwibratorów nie jest ograniczone do obwodów dwubiegunowych (dwufazowych). Istnieje wiele konstrukcji układów posiadających trzy, cztery lub więcej stanów pracy. Poniżej podano kilka przykładowych realizacji:
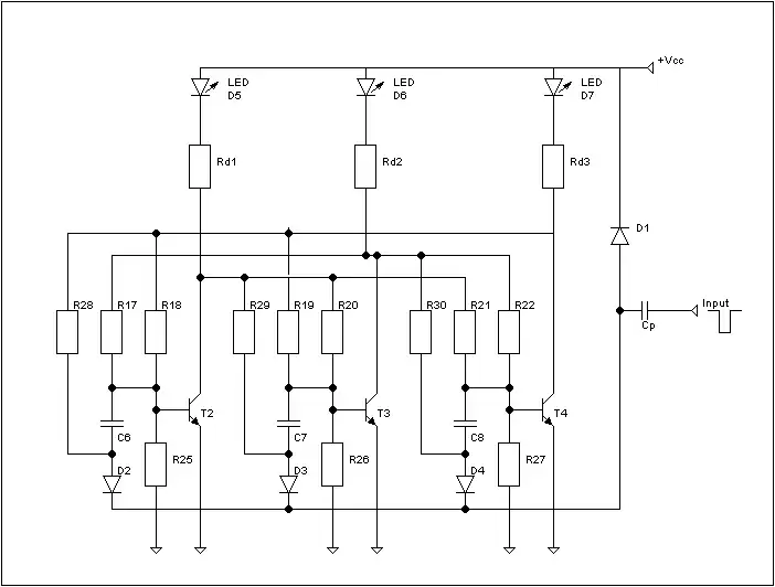
- Multiwibrator trójstabilny w konfiguracji dzielnika częstotliwości (licznik pierścieniowy):

Źródło: książeczka do zestawu „Młody Elektronik” nr 4, produkcji Unitra-Telpod; zachowano oryginalną numerację elementów. Zawsze dwa tranzystory przewodzą, a jeden jest odcięty.
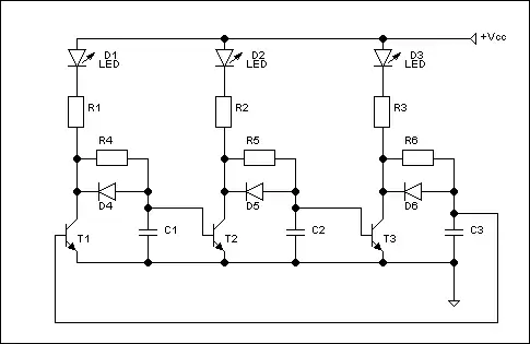
- Trój- i pięciobiegunowy multiwibrator astabilny:

Źródło: czasopismo Kalejdoskop Techniki (w oryginale zamiast LED i rezystorów w obwodach kolektorowych znajdowały się żarówki 6 V/0,125 A).
Analogicznie do powyższego buduje się multiwibrator o pięciu lub siedmiu fazach (zawsze nieparzysta liczba).
- Multiwibrator o czterech stanach stabilnych, typu „przyciski radiowe”:

Po naciśnięciu przycisku A, B, C lub D, na odpowiadającym mu wyjściu zostanie ustawiony stan „H”, na wszystkich pozostałych stan „L”. Powyższy układ można rozszerzać praktycznie w nieskończoność, w celu uzyskania wymaganej liczby przełączanych stanów pracy.
Zobacz też
- przerzutnik
- oscylator relaksacyjny
- licznik pierścieniowy
Linki zewnętrzne
Literatura
- A. Sielicki: Technika Impulsowa, wyd. Politechniki Wrocławskiej, 1971; (skrypt nie posiada identyfikatora ISBN).
- P. Horowitz, W. Hill: Sztuka Elektroniki, Tom I, II, WKiŁ, Warszawa 2001, ISBN 83-206-1128-8.