Rejestr przesuwający

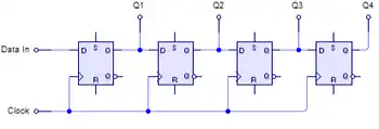
Rejestr przesuwający – rejestr zbudowany z przerzutników połączonych ze sobą w taki sposób, iż w takt impulsów zegarowych przechowywana informacja bitowa przemieszcza się (przesuwa) do kolejnych przerzutników.
Ze względu na sposób wprowadzania i wyprowadzania danych wyróżnia się następujące rodzaje rejestrów:
- PIPO - rejestr z wejściami i wyjściami równoległymi (rejestr buforowy),
- SISO - rejestr z wyjściem i wejściem szeregowym (r. przesuwający),
- SIPO - wejście szeregowe, wyjście równoległe,
- PISO - wejście równoległe, wyjście szeregowe.
W ramach serii standardowych układów scalonych występują rozbudowane rejestry przesuwające (w tym dwukierunkowe) łączące w sobie cechy wybranych lub wszystkich wymienionych architektur. Od lat 70 XX wieku dostępne są układy programowalne i reprogramowalne pozwalające na prostą realizację dowolnych architektur rejestrów przesuwających.