Wymiennik ciepła
Wymiennik ciepła – urządzenie, którego główną funkcją jest wymiana ciepła pomiędzy dwoma (lub więcej) płynami. Jest to ogólny termin odnoszący się do szerokiej grupy urządzeń różniących się przeznaczeniem, budową i sposobem realizacji przepływu ciepła.
Chociaż termin ten kojarzony jest przede wszystkim z przemysłem, wymienniki ciepła są układami powszechnie spotykanymi również w życiu codziennym. Przykładem może być chłodnica samochodowa, podgrzewacz wody lub grzejnik.
Podział
Wymienniki ciepła są bardzo szeroką grupą urządzeń, które, w zależności od przeznaczenia, mogą różnić się między sobą wielkością i rodzajem budowy. Wiedza dotycząca wymienników ciepła obejmuje wiele różnych dziedzin (np. termodynamika, mechanika, metalurgia). Konieczne jest więc jej usystematyzowanie. Istnieje wiele podziałów opartych na różnych aspektach działania lub budowy wymienników[1].
Podział ze względu na sposób przepływu ciepła
Ze względu na sposób przepływu ciepła wymienniki można podzielić na dwie główne grupy – wymienniki kontaktowe (w których dochodzi do kontaktu płynów) oraz bezkontaktowe (w których płyny nie mają ze sobą kontaktu).
Wymienniki bezkontaktowe można podzielić na rekuperatory (wymienniki przeponowe, z bezpośrednią wymianą ciepła), regeneratory (z pośrednią wymianą ciepła) oraz złoża fluidyzacyjne.
W rekuperatorach płyny oddzielone są ścianką (przeponą), w poprzek której zachodzi wymiana ciepła. Jeżeli w wymienniku takim nie zachodzi dodatkowa generacja ciepła są to rekuperatory proste. Istnieją również rekuperatory, w których po jednej ze stron dodatkowo wytwarzane jest ciepło (np. na drodze reakcji spalania lub reakcji jądrowej). Wymienniki takie nazywają się rekuperatorami z wytwarzaniem ciepła. Przykładem takich wymienników są np. reformery lub kotły płomienicowe. Rekuperatory proste są najczęściej spotykaną odmianą wymienników w przemyśle. Należą do nich np. wymienniki płaszczowo-rurowe lub wymienniki płytowe.
W regeneratorach płyny naprzemiennie przepływają tą samą drogą. Wymiana ciepła jest możliwa dzięki magazynowaniu ciepła w złożu porowatym, przez które przepływają płyny. Proces taki nie jest ciągły, ale składa się z fazy ciepłej (w której ciepło jest oddawane przez płyn ciepły) oraz fazy zimnej (w której ciepło jest oddawane do płyny zimnego). Ze względu na nieciągłość procesu oraz ograniczenia konstrukcyjne wymienniki te są rzadziej spotykane w przemyśle.
W złożach fluidyzacyjnych zachodzą procesy, które są kombinacją procesów zachodzących w rekuperatorach i regeneratorach[2][3]. Złoże takie składa się ze zbiornika wypełnionego cząsteczkami ciała stałego. Na dnie zbiornika znajduje się wlot gazu, który przepływa przez zbiornik i opuszcza go na górze. Po osiągnięciu odpowiedniej prędkości przepływu gaz zaczyna unosić cząsteczki ciała stałego do góry. Cząsteczki unoszą się w zbiorniku zachowując się jak ciecz. Zbiorniki mogą być dodatkowo wyposażone w wężownicę lub płaszcz chłodzący. Ruch ciepła w takich aparatach odbywa się od cząsteczek ciała stałego (jak w regeneratorach) do gazu, a następnie poprzez ściankę płaszcza lub wężownicy (jak w rekuperatorach). Złoża fluidyzacyjne stosuje się np. w procesie zgazowania węgla, wytwarzania węgla aktywnego, suszenia, prażenia rud, krakowania i syntezy benzyny[2][3].
Wymienniki kontaktowe można podzielić na wymienniki:
- układ cieczy niemieszających się, w którym dochodzi do kontaktu dwóch niemieszających się cieczy. Przykładem procesów wykorzystujących ten układ wymiany ciepła może być skraplanie związków organicznych lub oparów oleju[1].
- typu gaz-ciecz, w których ciepło wymieniane jest pomiędzy cieczą (najczęściej wodą) oraz gazem. Ten rodzaj wymienników stosuje się w procesach chłodzenia cieczy oraz nawilżania gazu. Najczęściej spotykanym przykładem są wieże chłodnicze, w których woda ścieka drobnymi kroplami ochładzając się kosztem powietrza znajdującego się w wieży[1].
- typu ciecz-para, których dochodzi do wymiany ciepła pomiędzy płynami a ich parą. Ten rodzaj wymienników często stosuje się do ogrzewania wody poprzez bezpośredni wtrysk pary (np. w odpowietrzaczach[1]) lub chłodzenia pary przez bezpośredni wtrysk wody.
W wymiennikach kontaktowych płyny wchodzą w bezpośredni kontakt między sobą. Pomimo dużych ograniczeń, takie rozwiązanie posiada też pewne zalety[1] – pozwala na uzyskanie bardzo dużych współczynników przewodzenia ciepła, jest stosunkowo tanie, nie ma problemu wytrącania się osadu na powierzchni wymiany ciepła. W dodatku wymiana ciepła pomiędzy kilkoma strumieniami jest stosunkowo prosta do zrealizowania.
| Wymienniki ciepła | |||||||||||||||||||||||||||||||||||||||||||||||
| Bezkontaktowe | Kontaktowe | ||||||||||||||||||||||||||||||||||||||||||||||
| Rekuperatory | Regeneratory | Złoża fluidyzacyjne | Ciecze niemieszające się | Ciecz-para | Ciecz-gaz | ||||||||||||||||||||||||||||||||||||||||||
| Proste | Z wytwarzaniem ciepła | ||||||||||||||||||||||||||||||||||||||||||||||
Podział ze względu na układ strumieni


Ze względu na układ strumieni wymienniki można podzielić na współprądowe, przeciwprądowe, o przepływie krzyżowym oraz złożone.
| Wymienniki ciepła | |||||||||||||||||||||||||||||||
| Współprądowe | Krzyżowe | Przeciwprądowe | Złożone | ||||||||||||||||||||||||||||
W układzie współprądowym wymiana ciepła zachodzi pomiędzy dwoma strumieniami biegnącymi w tym samym kierunku. Z punktu widzenia wymiany ciepła jest to najmniej wydajny układ. Charakteryzuje się stosunkowo niską średnią różnicą temperatur (która jest siłą napędową procesu). Skutkiem tego jest większa powierzchnia wymiany ciepła konieczna do realizacji procesu, a co za tym idzie, większy i droższy wymiennik. Wymiennik ten jest korzystny ze względu na rozkład naprężeń cieplnych. Ponieważ gorący i zimny strumień wpływają do wymiennika z tej samej strony średnia temperatura ścianki w wymienniku jest bardziej jednorodna na całej długości. Skutkiem tego są mniejsze naprężenia termiczne.
Bardziej efektywny jest układ przeciwprądowy. Dodatkową zaletą tego układu jest możliwość podgrzania lub ochłodzenia strumienia do temperatury zbliżonej temperaturze wlotowej drugiego strumienia. Na etapie podgrzewania czynnika temperatura wylotowa czynnika ogrzewanego jest wyższa (w ciągu całego procesu) od temperatury wylotowej czynnika grzewczego, co stanowi szczególną przewagę nad wymiennikiem współprądowym, gdzie tego efektu nie można osiągnąć na żadnym etapie procesu wymiany ciepła. Wadą jest możliwość pojawienia się dużych naprężeń cieplnych.
W układzie krzyżowym oba strumienie przepływają względem siebie pod kątem prostym. Chociaż czysty układ krzyżowy jest rzadko spotykanym rozwiązaniem, często spotyka się go w przypadku wymienników płaszczowo-rurowych jako składowa przepływu. Przegrody stosowane powszechnie w celu zwiększenia dynamiki przepływu płynu w przestrzeni płaszczowej, dzielą ją na szereg segmentów o przepływie krzyżowym.
Układy złożone (np. wymienniki z płaszczem o przepływie dzielonym lub rozbieżnym) są kombinacją powyższych układów. Większość wymienników spotykanych w przemyśle ma charakter złożony.
Przepływ współprądowy
Przepływ przeciwprądowy
Przepływ krzyżowy
Rekuperatory – przykłady


Wymiennik płaszczowo-rurowy
Wymienniki płaszczowo-rurowe są jednym z najczęściej spotykanych typów wymienników w przemyśle[4][1]. Uniwersalność tego wymiennika wynika m.in. z:
- różnorodności możliwych układów (różna ilość biegów, przeciwprąd, współprąd itd.),
- możliwość użycia elementów standardowych (rury, kołnierze, uszczelki itd.),
- stosunkowej prostota obliczeń i dużej dostępności do odpowiedniego oprogramowania,
- możliwości zastosowania w bardzo dużym zakresie ciśnień i temperatur[1],
- szerokiej gamy możliwych materiałów konstrukcyjnych[1].
Zbudowane są z cylindrycznego płaszcza, w którym biegną wiązki rurek. Jeden z płynów przepływa w przestrzeni płaszczowej, a drugi wewnątrz rurek. Wymiana ciepła zachodzi w poprzek ścian rurek.
Szczególnym przypadkiem jest wymiennik typu rura w rurze. Jego zaletą jest duża prostota. Jego główną wadą jest mała wydajność (powierzchnia wymiany ciepła jest mniejsza niż powierzchnia płaszcza, co generuje duże straty ciepła do otoczenia).
Wymiennik płytowy
Ogólny schemat budowy tego typu wymiennika jest zawsze podobny – składa się on z rzędu płyt, pomiędzy którymi przepływają płyny wymieniając ciepło pomiędzy sobą. Nie jest on tak uniwersalny, jak wymiennik płaszczowo-rurowy. Wynika to m.in. z:
- złożonej budowy utrudniającej obliczenia i konstrukcję,
- stosunkowo dużego spadku ciśnienia,
- możliwości zastosowania w ograniczonym zakresie ciśnień,
- możliwość wystąpienia nieszczelności, skutkiem której jest emisja płynów do atmosfery,
- ograniczona liczba materiałów (wynikająca z konieczności formowania płyt).
Zaletą takiego rozwiązania jest możliwość łatwego czyszczenia oraz możliwości zmiany rozmiarów wymiennika poprzez dodawanie lub usuwanie płyt. Wymienniki takie znajdują zastosowanie w systemach, które wymagają regularnego czyszczenia, np. w systemach chłodniczych (gdzie woda chłodząca wytrąca kamień), przemyśle mleczarskim (gdzie w wymienniku odkładają się zanieczyszczenia biologiczne), okrętownictwie (gdzie czynnikiem chłodzącym jest woda morska) oraz przemyśle farmaceutycznym[1].
Wymiennik spiralny
Wymienniki tego typu skonstruowane są z płyt owiniętych spiralnie tworzących przestrzenie dla przepływających płynów. Płyty stanowią powierzchnię wymiany ciepła. Ze względu na konieczność rolowania płyt liczba materiałów konstrukcyjnych jest ograniczona. Wymienniki te są zwykle krótkie i mają dużą średnicę. Maksymalna temperatura pracy wynosi ok. 500 °C[1], a maksymalne ciśnienie ok. 25 barów[1]. Ich zaletą jest:
- możliwość pracy z problematycznymi płynami – wytrącającymi osady, o dużej lepkości lub zawierającymi zanieczyszczenia,
- samoczyszczenie wynikające z dużych prędkości przepływu płynów,
- łatwość czyszczenia wynikająca z małej liczby kanałów,
- małe straty cieplne wynikające z małej powierzchni płaszcza w stosunku do powierzchni wymiany ciepła oraz faktu, że płyn w najbardziej zewnętrznych kanałach ma najniższą temperaturę (tj. najbardziej zbliżoną do temperatury zewnętrznej),
- w przypadku przecieku istnieje małe prawdopodobieństwo przedostania się płynu do atmosfery.
Ten typ wymienników wykorzystuje się w przemyśle celulozowym i alkoholowym[1].
Zbiorniki z wężownicą lub płaszczem
Ten typ wymiennika jest stosunkowo często spotykany w przemyśle. Składa się on ze zbiornika, w którym znajduje się lub przez który przepływa płyn. Elementem grzewczym jest wężownica, którą jest zwinięta rura znajdująca się w środku zbiornika, lub płaszcz zainstalowany na zewnątrz. Płyn wewnątrz zbiornika ogrzewa się lub ochładza kosztem płynu przepływającego w wężownicy lub płaszczu. Medium grzewczym jest zwykle para. Jako medium chłodzące najczęściej wykorzystuje się wodę.
Przykładem zbiornika z płaszczem są reaktory chemiczne. Gdy w reaktorze zachodzi reakcja egzotermiczna konieczne jest odebranie ciepła powstałego na skutek reakcji. Gdy reakcja jest endotermiczna konieczne jest dostarczenie energii. Z punktu widzenia chemii zbiornik taki jest reaktorem izotermicznym.
Zbiorniki z wężownicą wykorzystuje się np. w złożach fluidyzacyjnych[2].
Kanał odzysku ciepła
Gazy spalinowe powstające w dużych piecach przemysłowych zawierają w sobie dużą ilość energii, która może być wykorzystana do ogrzewania innych gazów. W tym celu wykorzystuje się kanały odzysku ciepła. Są to podłużne tunele, w których zainstalowane są wiązki rurek przez które przepływają ogrzewane gazy. Gazy spalinowe opuszczające kanał emitowane są zwykle do atmosfery. Ponieważ temperatury spalin na wylocie z pieców sięgają kilkuset stopni konieczne jest zastosowanie wytrzymałych stali. W przeciwieństwie do innych wymienników, w kanałach odzysku ciepła (po zewnętrznej stronie rurek) przepływ burzliwy jest niepożądany, gdyż mógłby prowadzić do zbyt intensywnej wymiany ciepła i przegrzania rur.
Rekuperatory z wytwarzaniem ciepła – przykłady
W tego typu wymiennikach energia wytwarzana jest zwykle w procesie spalania lub reakcji jądrowej. W procesach tych powstają duże ilości energii, które następnie przenikają przez powierzchnię wymiany ciepła. W wymiennikach takich znaczna część ciepła może być przekazywana na drodze promieniowania, co musi być uwzględnione w procesie projektowania. Duży strumień energii i wpływ promieniowania powodują, że elementy takich wymienników muszą być projektowane zgodnie ze specjalnymi standardami. Zmiany zachodzące w materiale pod wpływem dużych ilości ciepła powodują, że wymienniki takie projektuje się na konkretną długość życia (wyrażoną zwykle w roboczogodzinach), po upływie którego muszą być wymienione[5]. Wymienniki pracujące w takich warunkach muszą częściej niż zwykłe wymienniki przechodzić inspekcję.
Kocioł płomienicowy i płomieniówkowo-płomienicowy
Kocioł płomienicowy jest zbiornikiem, wewnątrz którego biegną rury zwane płomienicami. Wewnątrz płomienic znajduje się palenisko. W procesie spalania wytwarza się energia, która ogrzewa wodę w zbiorniku. Kocioł płomienicowo-płomieniówkowy oprócz płomienic posiada wiązki cieńszych rurek zwanych płomieniówkami (przez które przepływają gazy spalinowe), które zwiększają powierzchnię wymiany ciepła.
Reformer
Ponieważ reakcja reformingu parowego jest silnie endotermiczna do jej przeprowadzenia potrzebne są duże ilości energii. Dlatego reakcję tą przeprowadza się w reformerach. Reformer jest piecem przemysłowym, wewnątrz którego zainstalowane są rury wypełnione katalizatorem. Po zewnętrznej stronie rur umieszczone są palniki. Energia pochodząca z procesu spalania i przepływu gazów spalinowych wzdłuż pieca umożliwia reakcję.
Regeneratory

Regeneratory są aparatami pracującymi w cyklach. W pierwszej fazie gaz gorący ogrzewa element magazynujący energię, która w drugiej fazie procesu odbierana jest przez gaz ogrzewany przepuszczany. Aby wyeliminować konieczność pracy okresowej stosuje się regeneratory obrotowe lub regeneratory stałe.
Regeneratory obrotowe swoją nazwę biorą od obrotowego elementu zainstalowanego pomiędzy przewodami gazów tak, że oba gazy przepływają przez niego. Gaz gorący nagrzewa element, który obracając się oddaje ciepło zimnemu strumieniowi. Aparat taki pracuje w trybie ciągłym.
Regeneratory stałe składają się ze zbiorników pracujących w cyklach. Zbiorniki kolejno zostają rozgrzane przez gaz gorący, a następnie przepuszcza się przez nie gaz zimny, który odbiera ciepło od materiału magazynującego.
Zaletami regeneratorów w porównaniu do rekuperatorów są:[1]:
- niska cena,
- możliwość zastosowania tańszych materiałów,
- stosunkowo niewielkie rozmiary,
- niski spadek ciśnienia,
- tendencje do samoczyszczenia,
- bardzo upakowana powierzchnia wymiany ciepła.
Wadami tego rozwiązania są:
- nieszczelność,
- konieczność stosowania jedynie w układach gaz-gaz.
Oznaczenie na schematach
Symbole wymienników ciepła stosowane na schematach procesowych zdefiniowane są normami (np. ISO 10628[6]).
![]() |
Wymiennik ciepła (ogólny) | ![]() |
Wymiennik ciepła (ogólny) | ![]() |
Płytowy wymiennik ciepła |
![]() |
Podwójny rurowy wymiennik ciepła | ![]() |
Wymiennik o rurkach prostych | ![]() |
Wymiennik z rurkami giętymi |
| Wytwornica pary | ![]() |
Zbiornik z płaszczem grzejnym | ![]() |
wymiennik spiralny |
Ruch ciepła w wymiennikach
Istnieją trzy mechanizmy przenoszenia ciepła:
- przewodzenie – ruch ciepła bez ruchu masy (np. przez ściankę wymiennika),
- konwekcja – ruch ciepła z jednoczesnym ruchem masy (np. z płynu do ścianki wymiennika),
- promieniowanie – ruch ciepła poprzez fale elektromagnetyczne. Ten mechanizm ma znaczenie jedynie w wysokich temperaturach[7].
Przewodzenie
Ruch ciepła przez przewodzenie opisuje prawo Fouriera, które stwierdza, że ilość przepływającego ciepła jest wprost proporcjonalna do różnicy temperatur oraz współczynnika przewodzenia ciepła λ (charakterystycznego dla każdej substancji). Ruch ciepła przez przewodzenie wyraża równanie:
gdzie:
- – współczynnik przewodzenia ciepła [kW/mK],
- – odległość przenikania ciepła [m],
- – różnica temperatur [K].
Konwekcja
Ponieważ przenikanie ciepła poprzez konwekcję odbywa się z jednoczesnym ruchem masy, wpływ na dynamikę tego procesu ma jeszcze jedna zmienna – rodzaj ruchu płynu. W konsekwencji konwekcyjny ruch ciepła jest procesem trudniejszym do opisania i modelowania niż proces przewodzenia. W dodatku parametry płynów wykazują zwykle większą zmienność w zależności od temperatury i ciśnienia niż współczynnik przewodzenia ciepła w ciele stałym. Jest to ważne ponieważ w procesie projektowania wymienników to właśnie na ten rodzaj ruchu można wpływać zmieniając parametry przepływu. Ruch ciepła przez konwekcję opisuje ogólne równanie:
gdzie:
- – współczynnik wnikania ciepła [kW/m²K],
- – powierzchnia wymiany ciepła [m²],
- – różnica temperatur [K].
Do obliczenia współczynnika wnikania wykorzystuje się liczby podobieństwa – Nusselta, Prandtla, Reynoldsa oraz inne. W literaturze dostępne są wzory korelacyjne umożliwiające wyznaczenie tych liczb z dużą dokładnością.
Przenoszenie ciepła w rekuperatorach

Przenoszenie ciepła w przeponowych wymiennikach ciepła jest składową procesów:
- konwekcyjnego ruchu ciepła wewnątrz toni gorącego płynu,
- wnikania ciepła od płynu gorącego do ścianki,
- przewodzenia ciepła przez ściankę,
- wnikanie ciepła od ścianki do chłodnego płynu,
- konwekcyjny ruch ciepła wewnątrz toni chłodnego płynu.
Równanie sumaryczne uwzględniające wszystkie powyższe procesy można zapisać jako:
gdzie:
- – powierzchnia wymiany ciepła [m²],
- – różnica temperatur [K],
- – współczynnik przenikania ciepła dla wymiennika (stała charakterystyczna), który można wyrazić wzorem:
gdzie:
- i – współczynniki wnikania dla płynu gorącego i zimnego [kW/m²K],
- i – powierzchnia wnikania ciepła – po stronie płynu gorącego, zimnego i średnia [m²],
- – grubość ścianki wymiennika [m],
- – współczynnik przewodzenia ścianki [kW/mK].
Jeżeli możliwe jest założenie, że (np. dla ścianek płaskich lub cylindrycznych o dużej średnicy), równanie upraszcza się do postaci:
Ponieważ w warunkach rzeczywistych powierzchnia wymiany ciepła nie jest doskonale czysta, należy uwzględnić opory wynikające w osadów:
gdzie:
- i – opory osadu po gorącej i zimnej stronie wymiennika [m²K/kW].
Przenoszenie ciepła w regeneratorach
Proces przenoszenia ciepła w regeneratorach składa się z następujących faz:
- konwekcyjnego ruchu ciepła wewnątrz toni gorącego płynu,
- wnikania ciepła od płynu gorącego do elementu magazynującego,
- przewodzenia ciepła przez element magazynujący,
- magazynowanie energii,
- przewodzenia ciepła przez element magazynujący,
- wnikanie ciepła od elementu magazynującego do chłodnego płynu,
- konwekcyjny ruch ciepła wewnątrz toni chłodnego płynu.
W przypadku regeneratorów konieczne jest uwzględnienie dodatkowej zmiennej – czasu. Ponieważ regeneratory pracują cyklicznie, prawidłowo zaprojektowany proces powinien składać się z odpowiednio długich cykli. Zbyt długie cykle mogą powodować stałe magazynowanie ciepła w elemencie magazynującym, co również jest niekorzystne.
Obliczenia tego typu wymienników są złożone[7][8], a do ich obliczeń wykorzystuje się liczbę Fouriera wyrażającą stosunek strumienia ciepła przewodzonego do ciepła gromadzonego w ciele.
Przenoszenie ciepła w wymiennikach kontaktowych
W wymiennikach kontaktowych nie ma przegrody, która ograniczałaby przepływ ciepła. Jedyną powierzchnią wymiany ciepła jest granica faz. W praktyce eliminuje to konieczność wyznaczania współczynników przenikania ciepła (zakłada się, że α = ∞, czyli płyn osiąga stan równowagi). Obliczenia cieplne sprowadzają się do bilansów cieplnych, których ogólna postać przedstawia się następująco:
- lub
gdzie:
- – przepływ masowy poszczególnych strumieni [kg/h],
- – zmiana entalpii poszczególnych strumieni [kJ/kg],
- – ciepło właściwe poszczególnych strumieni [kJ/kgK],
- – temperatura poszczególnych strumieni [K].
Przykładowo, dla zbiornika, w którym woda o temperaturze jest ogrzewana do temperatury kosztem pary o temperaturze równanie bilansowe przyjmuje postać[9]:
gdzie:
- – przepływ masowy pary [kg/h],
- – entalpia pary [kJ/kg],
- – masowy przepływ wody [kg/h],
- – ciepło właściwe wody [kJ/kgK],
- – początkowa i końcowa temperatura wody [K].
Promieniowanie
Przenoszenie ciepła przez promieniowanie odbywa się poprzez emisję kwantów energii. Fale emitowane w zakresie długości fal 0,8–40 μm[7] noszą nazwę promieniowania cieplnego. Aby ich emisja była możliwa, potrzebne są duże ilości energii. Zgodnie z prawem Stefana-Boltmanna energia emitowana przez ciało jest wprost proporcjonalna do czwartej potęgi temperatury Dlatego ten mechanizm ruchu ciepła nabiera znaczenia w przypadku ciał o wysokiej temperaturze (> 500 °C). Proces ten jest złożony i nie da się go opisać jednym równaniem[7]. Siłą napędową w przypadku tego rodzaju ruchu ciepła również jest różnica temperatury. Ruch ciepła tego rodzaju odbywa się głównie pomiędzy dwoma ciałami stałymi. Ponieważ cząsteczki płynów również mogą absorbować energię, obliczenia obarczone są dużym błędem.
Promieniowanie cieplne opisują prawa Plancka, Kirchhoffa, Stefana-Boltzmanna i Lamberta.
Dobór konstrukcji i materiałów
Wybór właściwego rodzaju wymiennika i materiału zależy od wielu czynników. Części czynników nie da się przewidzieć na etapie projektowania. Dlatego ostatecznym potwierdzeniem słuszności wyboru jest praktyka. Często dochodzenie do właściwego rozwiązania trwa latami i dokonywane jest metodą prób i błędów.
Czynniki, które powinny być brane pod uwagę w procesie doboru:
- Właściwości chemiczne płynów[10][11] – jeden z głównych czynników decydujących o rodzaju materiału. Agresywne chemicznie substancje wymagają zastosowania odpowiednio dobranych materiałów, co eliminuje nieodpowiednie materiały już na początku procesu selekcji. Na przykład zwykła stal węglowa posiada niską odporność na korozję i cięższych przypadkach konieczne staje się zastosowanie np. stali stopowych.
- Parametry fizyczne płynów (np. ciśnienie robocze, temperatura, gęstość itp.) – wytrzymałość stali maleje wraz ze wzrostem temperatury. Efekt zmniejszonej wytrzymałości można skompensować większą grubością ścianki aparatu.
Praca w skrajnych warunkach (np. w skrajnie dużych lub skrajnie małych temperaturach, pod dużym ciśnieniem lub w próżni) wymaga zastosowania bardzo wytrzymałych materiałów (np. stali do pracy w wysokich temperaturach) i konstrukcji (np. wymienników płaszczowo-rurowych).
- Właściwości materiałów[10][11] – przy doborze materiałów należy brać pod uwagę parametry zastosowanych materiałów. Należą do nich m.in.:
- wytrzymałość,
- spawalność,
- formowalność,
- współczynnik przewodzenia ciepła,
- rozszerzalność cieplna.
- Czynniki zewnętrzne – wymiennik zainstalowany na zewnątrz dodatkowo narażony jest na niekorzystny wpływ czynników środowiskowyh. Wymaga to zastosowania bardziej wytrzymałych materiałów oraz różnego rodzaju środków ochronnych (np. specjalnych osłon). Przykładem niekorzystnych czynników zewnętrznych są np.:
- silnie korozyjna atmosfera morska (np. w portach),
- skrajnie zimny klimat niektórych regionów świata,
- duże obciążenie śniegiem,
- regiony, w których występują burze piaskowe,
- regiony o silnym zanieczyszczeniu środowiska,
- szkodliwy wpływ substancji pochodzących z sąsiednich instalacji.
- Częstotliwość czyszczenia – wymienniki płytowe są łatwiejsze w czyszczeniu, dlatego są częstym rozwiązaniem np. w przemyśle farmaceutycznym, gdzie konieczne jest częste czyszczenie aparatury. Jeżeli wymiennik pracuje okresowo (możliwe jest częste czyszczenie) przewymiarowanie aparatu może być mniejsze. Innym rozwiązaniem jest stosowanie konstrukcji, które mają tendencje do samooczyszczenia (np. wymienników spiralnych).
- Regulacje prawne – zasady dotyczące projektowania, wytwarzania, stosowanych materiałów oraz rodzaju konstrukcji i częstotliwości inspekcji zmieniają się w zależności od kraju. Ponadto niektóre rozwiązania chronione są prawem patentowym, co utrudnia lub uniemożliwia ich stosowanie w niektórych krajach. Innym przykładem wpływu regulacji prawnych na dobór materiałów lub rodzaju konstrukcji jest sytuacja, gdy jakiś kraj jest objęty międzynarodowym embargo na import konkretnego rodzaju stali.
- Analiza ekonomiczna (cena i dostępność materiałów) – niekiedy koszta produkcji i transportu konkretnego rodzaju wymiennika powodują, że rezygnuje się z preferowanego rodzaju konstrukcji lub materiału na rzecz bardziej ekonomicznego rozwiązania. Czynniki ekonomiczne mogą się zmieniać w zależności od regionu lub aktualnej sytuacji.
- Bezpieczeństwo – przepisy bezpieczeństwa dotyczące aparatów do pracy z substancjami szkodliwymi (np. toksycznymi lub rakotwórczymi) mogą narzucać konkretne rozwiązania konstrukcyjne (np. stosowanie jedynie konstrukcji spawanych). Innym przykładem rozwiązania niebezpiecznego może być rodzaj konstrukcji (np. z rurkami giętymi), który w wyniku wibracji powoduje hałas mający negatywny wpływ na środowisko.
- Logistyka – jeżeli transport dużego wymiennika jest trudny lub niemożliwy, bardziej korzystne lub konieczne może stać się inne rozwiązanie (np. kilka mniejszych wymienników zamiast jednego dużego).
- Inne – niekiedy o konkretnym rozwiązaniu mogą decydować czynniki wynikające ze specyfiki konkretnego miejsca lub sytuacji (np. mała dostępność wykwalifikowanego personelu, cena mediów chłodzących itp.).
Sterowanie






Proces projektowania opiera się na pewnych uproszczeniach i czysto teoretycznych założeniach. W rzeczywistości charakterystyka wymiennika nie jest stała, ale zmienia się w czasie na skutek działania różnych czynników. Należą do nich m.in.:
- zmiana parametrów strumieni wlotowych (na skutek procesów zachodzących w instalacji),
- warstwa osadu lub kamienia, która powoduje zwiększone opory ciepła,
- konieczność zatkania uszkodzonych rurek,
- okresowe pojawienie się dodatkowych strat ciepła (np. w zimie),
- wady wynikające z błędnego zaprojektowania.
Najłatwiejszym sposobem sprawdzenia ilości ciepła wymienionej w wymienniku jest pomiar temperatury na wylocie z wymiennika. Ponieważ wymienniki ciepła są urządzeniami o dużej bezwładności cieplnej (powoli reagują na jakiekolwiek zmiany) urządzenia do pomiaru temperatury instaluje się zwykle możliwie blisko wylotu. Takie rozwiązanie skraca czas reakcji oraz ogranicza straty ciepła na odcinku od wymiennika do czujnika temperatury. Z drugiej strony, aby odczyt był wiarygodny, temperatura toni płynu musi być jednolita, a to oznacza, że płyn opuszczający wymiennik musi mieć czas na dokładne wymieszanie. Dlatego termometrów nie instaluje się bezpośrednio za króćcem[12].
Na potrzeby sterowania strumienie w wymienniku można podzielić na procesowy (P, tj. strumień główny, którego temperatura jest regulowana) oraz medium (M, tj. strumień pomocniczy, który służy do kontroli, np. woda do chłodzenia lub para do podgrzewania). Zwykle parametry strumienia procesowego na wlocie i wylocie z wymiennika są ściśle zdefiniowane. Strumień medium posiada zdefiniowane parametry na wlocie oraz zakres w jakim mogą się zmieniać parametry na wylocie.
Układ niekontrolowany
Najprostszym przykładem podejścia do kontroli pracy wymiennika jest brak kontroli. Zgodnie z pierwszym prawem sterowania „najlepszy układ to najprostszy układ, który spełnia dane zadanie”[13]. Taki sposób kontroli sprawdza się, jeżeli układ jest stabilny, nie ma ryzyka, że brak kontroli może doprowadzić do zaburzeń pracy całej instalacji a wahania temperatur są dopuszczalne. Niekiedy takie rozwiązanie jest konieczne ze względu na to, że oba strumienie są strumieniami procesowymi (biorą udział w procesie) i dowolne sterowanie którymkolwiek jest niemożliwe.
Układ z bocznikowaniem strumienia (z bajpasem)
Takie rozwiązanie sprawdza się w przypadku, gdy oba strumienie muszą mieć stały przepływ[12][14]. Zamiast regulacji ilości medium, instaluje się bocznik (bajpas) umożliwiający rozdział strumienia. W celu regulacji rozdziału instaluje się zawór (V1). Aby zminimalizować spadek ciśnienia stosuje się zawory motylkowe. Pomimo małego spadku ciśnienia na zaworze motylkowy możliwa jest sytuacja, w której spadek ciśnienia na zaworze jest stosunkowo duży w porównaniu ze spadkiem na wymienniku i, pomimo pełnego otwarcia, duża część strumienia ciągle biegnie przez wymiennik. Aby wyeliminować taką sytuację instaluje się drugi zawór (V2) na przewodzie wymiennika. W razie potrzeby zwiększa on opór na przewodach wymiennika zmniejszając ilość medium biorącego udział w wymianie ciepła. Oba zawory sterowane są przez kontroler (TC[a]), który otrzymuje sygnał z czujnika temperatury (TT[a]).
Do sterowania takimi układami wykorzystuje się sterowanie z zakresem dzielonym. W takim układzie sterującym sygnał z kontrolera zostaje podzielony pomiędzy dwa zawory, tak, że każdemu zaworowi przyporządkowany jest pewien zakres sygnału z kontrolera. W starszych systemach funkcja ta była realizowana przy pomocy sygnału pneumatycznego[12]. Obecnie jest ona zaprogramowaną funkcją kontrolera. Przykładem może być wymiennik ciepła, w którym gaz (strumień procesowy, P) jest ogrzewany kosztem pary (medium, M). Czujnik temperatury (TT) na wylocie gazu przesyła sygnał do kontrolera (TC), który porównuje temperaturę rzeczywistą z temperaturą zadaną i w razie odchyleń koryguje je przesyłając sygnał do zaworów (V1 i V2). Jeżeli temperatura gazu wzrasta ponad wartość zadaną, kontroler otwiera zawór V1. Jeżeli pomimo tego temperatura gazu nie spada, kontroler zwiększa otwarcie zaworu. Jeżeli zawór V1 zostanie całkowicie otwarty a temperatura gazu nadal jest za wysoka, kontroler zaczyna zamykać zawór V2. Dzieje się tak do momentu gdy temperatura osiągnie wartość zadaną lub zawór zostanie całkowicie zamknięty.
Wadą takiego rozwiązania jest zmienny spadek ciśnienia w całym układzie (w zależności od stopnia otwarcia zaworów). Ponadto konieczne jest dodatkowe zabezpieczenie (zwykle zawór bezpieczeństwa) na wypadek gdyby oba zawory zostały zamknięte jednocześnie (np. na skutek błędu systemu lub człowieka). Możliwe jest też fizyczne połączenie dwóch zaworów (np. metalowym prętem) tak, żeby zamknięcie jednego zaworu powodowało automatyczne otwarcie drugiego. Zaletą takiego układu jest stały spadek ciśnienia strumienia procesowego i stała wartość przepływu obu strumieni.
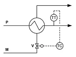
Układ ze sprzężeniem zwrotnym
Sterowanie w tym układzie jest realizowane poprzez zmianę natężenia przepływu medium. W układzie takim czujnik temperatury TT zainstalowany jest na wylocie strumienia procesowego. Przekazuje on sygnał do kontrolera TC, który porównuje go z wartością zadaną. W przypadku odchyleń reguluje natężenie przepływu strumienia medium przy pomocy zaworu V.
Dużą zaletą takiego systemu sterowania jest jego prostota[12][15]. Sterowanie nie wymaga dokładnej znajomości konstrukcji wymiennika oraz zależności matematycznych opisujących jego pracę. Ponadto czujnik mierzy rzeczywistą temperaturę na wylocie wymiennika, co daje lepszą kontrolę.
Zasadniczą wadą tego rodzaju sterowania jest długi czas reakcji wynikający z bezwładności cieplnej całego układu. Ponadato układ taki nie może reagować nawet, jeżeli zaburzenia są znane wcześniej (tzn. strumień o zmienionych parametrach musi dotrzeć do wymiennika, spowodować zmianę, która dopiero spowoduje reakcję układu).
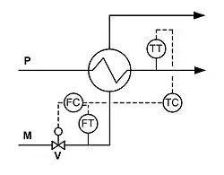
Układ ze sprzężeniem do przodu
Podobnie jak w przypadku układu ze sprzężeniem zwrotnym, układ ten steruje strumieniem medium. Różnica polega na tym, że w tym układzie czujnik temperatury TT zainstalowany jest na wlocie do wymiennika, co umożliwia uzyskanie informacji na temat strumieni wlotowych zanim dotrą one do wymiennika. W razie pojawienia się jakiegokolwiek odchylenia możliwe jest podjęcie działań zapobiegawczych zanim będą one miały wpływ na proces. Wymaga to jednak znajomości zależności matematycznych opisujących pracę wymiennika. Ponadto temperatura wyjściowa strumienia procesowego jest wyliczana (nie mierzona) i może odbiegać od rzeczywistej. Obliczenia opierają się na równaniach bilansu cieplnego wymiennika. Równania te są teoretyczne i nie uwzględniają wielu rzeczywistych parametrów. To jest zasadnicza wada tej metody, która powoduje, że tego typu sterowanie może być realizowane jedynie w układach prostych[12][16].
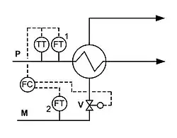
Układ kaskadowy
Układ kaskadowy jest połączeniem koncepcji sterowania ze sprzężeniem zwrotnym i sprzężeniem do przodu. System taki składa się z dwóch pętli – nadrzędnej (działającej jako układ ze sprzężeniem zwrotnym) oraz podrzędnej (działającej jako układ ze sprzężeniem do przodu). Idea polega na tym, aby podzielić układ na dwie pętle. Pierwsza pętla (nadrzędna) składa się z czujnika temperatury TT, zainstalowanego na wylocie z wymiennika, który przesyła sygnał do kontrolera FC[a] zmieniając jego wartość zadaną. Jednocześnie kontroler FC sczytuje sygnał z czujnika przepływu FT[a] strumienia medium i na podstawie tych danych steruje przepływem medium przy pomocy zaworu V. Układ taki posiada wady i zalety układów, z których się składa. Pętla nadrzędna reaguje bardzo wolno na zmiany[12][17]. Pętla podrzędna charakteryzuje się dużą dynamiką i szybką reakcją na zmiany. Zaletą układu jest możliwość mierzenia rzeczywistej temperatury na wylocie. Układ jest stabilny i szybko koryguje odchylenia. Jego wadą jest złożoność i konieczność posiadania wnikliwej wiedzy na temat całego układu.
Zobacz też
Uwagi
Przypisy
- 1 2 3 4 5 6 7 8 9 10 11 12 13 Shah 2003 ↓.
- 1 2 3 Koch 1998 ↓.
- 1 2 Serwiński 1971 ↓.
- ↑ Brogan ↓.
- ↑ Outokumpu ↓.
- ↑ ISO 10628 ↓.
- 1 2 3 4 Hobler 1959 ↓.
- ↑ Bejan 2003 ↓.
- ↑ Spirax Sarco ↓.
- 1 2 Żurek 1998 ↓.
- 1 2 Talbot 1998 ↓.
- 1 2 3 4 5 6 Driedger 1998 ↓.
- ↑ Luyben i Essentials ↓.
- ↑ Luyben i Modelowanie ↓.
- ↑ Casler i Feedback ↓.
- ↑ Stephens ↓.
- ↑ Casler i Cascade ↓.
Bibliografia
- Frank P. Incropera, David P. DeWitt: Fundamentals of Heat and Mass Transfer. Wiley, 2006. ISBN 978-0471457282. (ang.).
- Ramesh K. Shah, Dusan P. Sekulić: Fundamentals of Heat Exchanger Design. Wiley, 2003. ISBN 978-0-471-32171-2. (ang.).
- Roman Koch, Andrzej Noworyta: Procesy mechaniczne w inżynierii chemicznej. WNT, 1998. ISBN 83-204-2262-0. (pol.).
- Mieczysław Serwiński: Zasady inżynierii chemicznej. WNT, 1971. (pol.).
- Tadeusz Hobler: Ruch ciepła i wymienniki. Państwowe Wydawnictwa Techniczne, 1959. (pol.).
- R.J. Brogan: Shell and Tube Heat Exchangers. Thermopedia. DOI: 10.1615/AtoZ.s.shell_and_tube_heat_exchangers. (ang.).
- The Steam and Condensate Loop. Spirax Sarco, 2008. (ang.).
- Adrian Bejan, Allan D. Kraus: Heat Transfer Handbook. Wiley, 2003. ISBN 978-0-471-39015-2. (ang.).
- ISO 10628 – Diagrams for thr Chemical and Petrochemical Industry. ISO. ISBN 978-0-9550691-4-7. (ang.).
- Handbook of Stainless Steel. Outokumpu, 2013. (ang.).
- David Talbot, James Talbot: Corrosion Science and Technology. CRC Press, 1998. ISBN 0-8493-8224-6. (ang.).
- Zbigniew Żurek: Materiał i Środowisko. Wydawnictwo PK, 1998. ISBN 83-903878-2-4. (pol.).
- Walter Driedger. Controlling Shell and Tube Exchangers. „Hydrocarbon Processing”, 1998.
- William L. Luyben: Modelowanie, symulacja i sterowanie procesów przemysłu chemicznego. WNT, 1976. (pol.).
- William L. Luyben, Michael L. Luyben: Essentials of Process Control. McGraw-Hill, 1997. ISBN 0-07-114193-6. (pol.).
- Joseph Casler i in.: Feedback Control – University of Michigan Open Textbook. 2007. (ang.).
- Anwar Stephens i in.: FF Control – University of Michigan Open Textbook. 2007. (ang.).
- Joseph Casler i in.: Cascade Control – University of Michigan Open Textbook. 2006. (ang.).








