Zgrzewanie tarciowe doczołowe obrotowe
Zgrzewanie tarciowe doczołowe obrotowe (rotacyjne zgrzewanie tarciowe - j. angielski: Rotary Friction Welding (RFW)) – jedna z metod zgrzewania tarciowego, której klasyczny sposób wykorzystuje pracę tarcia, do utworzenia połączenia nierozłącznego. Zgrzewanie tarciowe określane jest, często mianem łączenia w stanie-stałym (solid-state welding), ze względu, że łączone elementy są poniżej temperatury przetopienia.
Zgrzewane mogą być materiały metalowe jednoimienne i różnoimienne[1][2], kompozytowe[3], materiały niemetalowe.
Przebieg procesu wygląda następująco:

- etap tarcia: Na ogół jeden z elementów wprawiany jest w ruch obrotowy z dużą prędkością obrotową, następnie dociskany do drugiego nieruchomego a wskutek pracy tarcia, obszar złącza nagrzewają się,
- etap hamowania: element obracający zostaje zatrzymany,
- etap spęczania: elementy łączone są nadal dociskane.


Norma opisująca w sposób ogólny zgrzewanie tarciowe to PN-EN ISO 15620:2019-07[1], wymienione są w niej definicje podstawowych pojęć takich jak etapy procesu, umieszczona tabela zgrzewalności metali i stopów a przykładowym obszernym podręcznikiem na temat między innymi tej metody spajania, wykonanej w klasyczny sposób, może być książka A. Klimpela "Spawanie zgrzewanie i cięcie metali"[2], jednak nie jest to jedyna pozycja literatury.
Historia
Niektóre zastosowania i patenty związane ze zgrzewaniem tarciowym sięgają przełomu XIX i XX wieku[4] a obrotowe zgrzewanie tarciowe jest najstarszą z tych metod[5]. W. Richter opatentował metodę liniowego zgrzewania tarciowego linear friction welding (LFW) w 1924 r. w Anglii i następnie w 1929 r. w Niemczech, jednak opis procesu był niejasny[5],
a H. Klopstock opatentował ten sam proces w ZSRR 1924 roku[6]. Jednak pierwszy opis i eksperymenty związane z zgrzewaniem obrotowo-tarciowym miały miejsce w Związku Radzieckim w 1956 r.[4][6] mechanik A. J. Chdikov przeprowadził badania naukowe i zasugerował zastosowanie metody do procesu komercyjnego[6]. Następnie proces został wykonany w USA w 1960[4] roku. Amerykańskie firmy Caterpillar Tractor Company (Caterpillar - CAT) oraz Rockwell International i American Manufacturing Foundry opracowały maszyny do tego procesu. Patenty zostały również wydane w całej Europie i byłym Związku Radzieckim. Pierwsze badania zgrzewania tarciowego w Anglii zostały przeprowadzone przez Welding Institute w 1961 roku. USA Caterpillar Tractor Company oraz MTI opracowały proces wykorzystujący koło zamachowe (inertia process IFW) w 1962 roku. W 1966 roku w Europie KUKA AG i Thompson wprowadza zgrzewanie tarciowe do zastosowań przemysłowych, opracowuje proces z napędem bezpośrednim (RFW), a w 1974 r. Buduje zgrzewarkę model rRS6 - dwuwrzecionową i używaną do zgrzewania osi samochodów ciężarowych[7]. W 1997 r. Zgłoszono międzynarodowy wniosek patentowy pt. „Metoda zgrzewania tarciowego prętów rurowych”, A. Graham przedstawił łączenie rur o średnicy 152,4 mm metodą wykorzystującą zgrzewanie promieniowe tarciowe z pierścieniem pośrednim do łączenia długich rur o dużej średnicy[8][9], ale niektóre próby i wzmianki o tym sposobie przedstawiono wcześniej w 1975 roku[10]. Inna metoda została wynaleziona i przetestowana eksperymentalnie przez The Welding Institute (TWI) w Wielkiej Brytanii i opatentowana w 1991 roku zwana metodą Friction stir Welding (FSW) obecnie bardzo popularną w procesach zgrzewania[11]. W 2008 roku firma KUKA AG opracowała obrotową zgrzewarkę tarciową SRS 1000 o sile osiowej aż 1000 ton.[7] Ulepszoną modyfikacją dającą nowe perspektywy jest obecnie metoda Low Force Friction Welding, technologia hybrydowa opracowana przez EWI i Manufacturing Technology Inc. (MTI), proces ten można zastosować zarówno do liniowego zgrzewania, a również obrotowego[12].

Obecnie materiały naukowe opisujące zgrzewanie tarciowe są wielu miejsc na całym świecie, w tym z Afryki, Ameryki Południowej, Ameryki Północnej, Europy i Azji oraz Australii a wiele z nich można znaleźć poprzez np. google scholar.
Zastosowanie
Obrotowe zgrzewanie tarciowe jest szeroko stosowane w sektorze produkcyjnym i jest wykorzystywane na przykład:[13]
- Do zgrzewania wałów turbin,
- Części samochodowych, w tym stalowe osie napędów samochodów ciężarowych,
- Zgrzewając zawory silnika spalinowego,
- Połączenia styków elektrycznych z miedź i aluminium,
- Narzędzia tnące,
- Rury wiertnicze[14],
- Łączące różne metale (aluminium - tytan i aluminium - stal nierdzewna),
- Zgrzewanie turbin w przemyśle lotniczym,
- Potencjał do zastosowań medycznych[15].
- Potencjalnie w przemyśle morskim[10], ale ze względu na ryzyko pęknięcia dalsze badania wymagane[10], oraz dobrze dodać, że też bezpieczeństwo jeśli metoda byłaby wykorzystana w przemyśle morskim - Incydenty w przemyśle morskim, związane z pęknięciem rur, wersja Angielska.
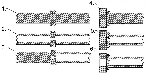
Geometria połączeń
Na ogół łączy się: rura do rury, rura do płyty, rura do pręta, rura do tarczy, pręt do pręta, pręt do płyty[2][16].

Jednak proces modyfikuje się, przykładowo do łączenia długich odcinków rur powstała metoda z obrotowym pierścieniem.

Parametry procesu zgrzewania tarciowego.
Typowe parametry zgrzewania napisane w literaturze np. podręczniku A. Klimpela, to kilkaset do maksymalnie kilku tysięcy obrotów i czas tarcza w granicach kilku sekund, zależnie od średnicy i materiału zgrzewanego.
Jednak dla małej średnicy przedmiotu zgrzewanego, w artykule "Zgrzewanie tarciowe ultradrobnoziarnistej stali 316L"[17] opisano zastosowanie wysokiej prędkość obrotowej 12000 obr./min i nietypowe czasy tarcia trwające ułamkowe części sekundy, w porównaniu z klasycznymi opisywanymi w starszych książkach, dlatego artykuł ten zasługuje na uwagę, w dodatku dokonano próby zgrzewania metalu ultradrobnoziarnistego.
Obroty podawane w literaturze badawczej dla małych średnic mogą wynosić więcej niż standardowo, 14000 obr./min[18] i więcej np. 25000 obr./min[19], oprócz tego istotna jest też siła docisku i czasy procesu.
Parametry są różne, ponieważ można zgrzewać elementy o średnicy 3 mm, a nawet duże elementy turbin i rur o średnicy powyżej 400mm.[20][8][21]
Istnieje technika hybrydowa Low Force Friction Welding opracowana przez EWI i Manufacturing Technology Inc. (MTI), wykorzystująca zewnętrznie dostarczaną energię i niską siłę tarcia.
"uses an external energy source to raise the interface temperature of the two parts being joined, thereby reducing the process forces required to make a solid-state weld compared to traditional friction welding"[22]
Hybrydowy proces z niską siłą tarcia może być zastosowany zarówno do zgrzewania rotacyjnego RFW i Linowego LFW.[12]
Zalety hybrydowego zgrzewania z niską siłą tarcia czyli metody nazywanej Low force friction welding:
- Mała lub brak wypływki
- zniesienie ograniczeń łączenia,
- mniejszy wymiar zgrzewarki,
- skrócenia czasów cyklu,
- większa precyzja,
- większa powtarzalność[12].
Stref oddziaływań cieplnych i mechanicznych połączenia.
W artykułach, w których znajduje się opis, złącz zgrzewanych tarciowo, można przeczytać o strefach zgrzeiny.

- Centralna strefa zgrzeiny (WCZ– weld center zone) – obszar przemian mechanicznych i cieplnych, w którym nastąpiła dynamiczna rekrystalizacja (dynamic recrystallization - DRX).
- Strefa wpływu ciepła (SWC) (HAZ – heat affected zone) – region niezdeformowany plastycznie, ale na który wpłynęło ciepło.
- Strefa przemian termo-mechanicznych (TMAZ – Thermo-Mechanically Affected Zone) – strefa przemian temperaturowych i mechanicznych, ale bez wystąpienia dynamicznej rekrystalizacji.
- Materiał bazowy, rodzimy (BM – base material, parent material) – materiał wejściowy.
- Wypływka (flash) – materiał, który wypłynie poza obszar uznany za zgrzeinę.
Podobne pojęcia występują w spawalnictwie.
Można też zacytować jeden z wielu artykułów np.: R.McAndrew i inni, "A literature review of Ti-6Al-4V linear friction welding.", 2018.:
"Technically the WCZ and the TMAZ are both "thermo-mechanically affected zonez" but due to the vastly different microstructures they possess they are often considered separately. The WCZ experiences significant dynamic recrystallisation (DRX), the TMAZ does not. The material in HAZ is not deformed mechanically but is affected by the heat. The region from one TMAZ/HAZ boundary to the other is often refered to as the "TMAZ thickness" or the plastically affected zone (PAZ). For the remainder of this article this region will be refered to as the PAZ"[23].
Powstała w procesie wypływka może zostać odcięta bezpośrednio na zgrzewarce.

System pomiaru w czasie procesu zgrzewania
Często stosuje się systemy monitoringu, w celu dostarczenia wiedzy o procesie, może być realizowane na kilka sposobów, co wpływa na dokładność i ilość mierzonych parametrów[24].

Lista mierzonych i kalkulowanych (wnioskowanych) parametrów, może być następujące i taką można znaleźć w literaturze:
- pomiar sił i ciśnienia osiowego,
- pomiar prędkości obrotowej,
- centrowania wrzeciona (położenie wrzeciona względem osi obrotu),
- prędkość,
- wibracji,
- długość np. skrócenie zgrzewanych przedmiotów,
- temperatury.
Rozmieszczenie temperatury i symulacje komputerowe procesu zgrzewania tarciowego.
W typowym zgrzewaniu, w czasie etapu tarcia powierzchnia czołowa nie nagrzewa się równo, z powodu wyższej prędkość liniowej części oddalonych bardziej od osi obrotu, następnie następuje przepływ ciepła z szybkością zależną między innymi od przewodności cieplnej zgrzewanych elementów.

Głównie w artykułach naukowych znajdują się informacje, na temat badania złącz zgrzewanych tarciowo takie jak: próby twardości, rozciągania, mikroskopowe, prześwietlenia SEM, wielkości ziarna obszaru połączenia a oprócz tego czasem można znaleźć wzmianki na temat badania temperatury zgrzeiny np. za pomocą symulacji komputerowych, na podstawie których, próbuje określić się np. strefę wpływu ciepła (HAZ - heat-affected zone), która może obniżyć właściwości materiałowe. Przykładem polskojęzycznej pozycji literatury, w której opisano udaną próbę symulacyjną może być "Modelowanie MES procesu konwencjonalnego zgrzewania tarciowego"[25]. Niemniej jednak wykonanie symulacji jest trudne, wymaga wiedzy, oprogramowania, może być kłopotliwe określenie, zmiennego w czasie procesu współczynnika tarcia zgrzewanych elementów. W artykułach naukowych niejednokrotnie temperaturę procesu mierzy się więc metodami bezpośrednimi często za pomocą termopar[26], a także czasem termowizji[26][27]. Jednak pomiary temperatury są w celach badawczych.
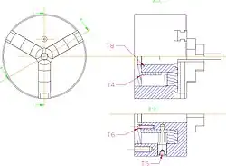
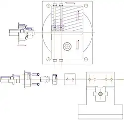
Konstrukcja zgrzewarki
- System sterowania
- Silnik lub silniki (np. w double spindle welder)
- Pneumatyczny lub hydrauliczny system ciśnieniowy
- Imadło nieobrotowe
- Sprzęgło
- Wrzeciono
- Koło zamachowe lub nie w zależności od konstrukcji zgrzewarki
- Obudowa
- Systemy monitoringu
- Uchwyty do przedmiotów obrabianych
Rodzaj uchwytu zależy od zastosowanej technologii, czasem ich konstrukcja może być zbliżona do tokarki i frezarki.
![]() |
![]() |
![]() |
|---|
Inne techniki zgrzewania tarciowego.
Oprócz klasycznej metody doczołowego zgrzewania obrotowego RFW, istnieją różne techniki zgrzewania tarciowego, przykłady:
- Zgrzewanie tarciowe doczołowe obrotowe (RFW - Rotary Friction Welding)
- Zgrzewanie tarciowe z przemieszaniem (FSW – Friction Stir Welding) rozwijane od 1991 r.[11]
- LFW - Linear Friction Welding
- inne np. FRIEX[28]
- Low Force Friction Welding - zgrzewanie niską siłą tarcia
Ciekawostki
- Zgrzewanie tarciowe (zwane μFSW) wykonano również na frezarce CNC[29], co nie oznacza, że jest sposób bezpieczny i zalecany dla maszyny.
- Nawet są próby zgrzewania drzewa[30].
- Są opisy pomiaru emisji akustycznej w procesach łączenia metali[31].
Linki zewnętrzne
- Rotary Friction Welding w Google Scholar
- Obrotowe spawanie tarciowe w TWI i wyniki wyszukiwania w TWI
- Obrotowe spawanie tarciowe w firmie KUKA
Modyfikacje Obrotowego zgrzewania tarciowego
Inne techniki
- Zgrzewanie tarciowe z przemieszaniem w TWI. twi.co.uk. [zarchiwizowane z tego adresu (2013-12-05)].
- Badania dotyczące zgrzewania tarciowego z przemieszaniem na Uniwersytecie Cambridge
Przypisy
- 1 2 Polska. Polski Komitet Normalizacyjny., Zgrzewanie - Zgrzewanie tarciowe metali PN-EN ISO 15620, PKN, 2019 [dostęp 2019-10-24].
- 1 2 3 4 Andrzej Klimpel, Spawanie, zgrzewanie i cięcie metali : technologie, wyd. 1, (dodr.), Warszawa: Wydawnictwa Naukowo-Techniczne, 2009, ISBN 978-83-204-3625-9, OCLC 751009144 [dostęp 2019-07-11].
- ↑ Robert Siedlec, Cezary Strąk, Rafał Zybała, Morfologia złączy kompozytów Al/Al2O3 zgrzewanych tarciowo ze stopem Al 44200, „Przegląd Spawalnictwa - Welding Technology Review”, 88 (11), 2016, DOI: 10.26628/ps.v88i11.706, ISSN 2449-7959 [dostęp 2019-07-11].
- 1 2 3 K. K. WANG, WEN LIN (1974). "Flywheel Friction Welding Research" (PDF). Supplement to the Welding Journal.
- 1 2 J. LOPERA, K. MUCIC, F. FUCHS, N. ENZINGER (October 2012). "Linear Friction Welding Of High Strenght Chains: Modeling And Validation". Mathematical Modelling of Weld Phenomena.
- 1 2 3 Mehmet UZKUT, Bekir Sadık ÜNLÜ, Selim Sarper YILMAZ, Mustafa AKDAĞ. "Friction Welding And Its Applications In Today's World" (PDF).
- 1 2 Rotary friction welding machines [online], KUKA AG [dostęp 2021-02-25] (ang.).
- 1 2 3 Full-scale friction welding system for pipeline steels, „Journal of Materials Research and Technology”, 8 (2), 2019, s. 1773–1780, DOI: 10.1016/j.jmrt.2018.12.007, ISSN 2238-7854 [dostęp 2021-02-25] (ang.).
- ↑ A method of friction welding tubular members [online], 26 lutego 1997 [dostęp 2021-02-25] (ang.).
- 1 2 3 4 Pipeline girth friction welding of the UNS S32205 duplex stainless steel, „Materials & Design”, 162, 2019, s. 198–209, DOI: 10.1016/j.matdes.2018.11.046, ISSN 0264-1275 [dostęp 2021-02-25] (ang.).
- 1 2 Thomas, W.M., Nicholas, E.D., Needham, J.C., Murch, M.G., Templesmith, P., Dawes, C. J., 1991. Improvements to Friction Welding. GB Patent Application No. 91259788.
- 1 2 3 Simon Jones, Low Force Friction Welding -- What is it? [online], blog.mtiwelding.com [dostęp 2021-02-25] (ang.).
- ↑ Rotary Friction Welding - Job Knowledge [online], www.twi-global.com [dostęp 2021-02-25] (ang.).
- ↑ Rotary friction welding for geothermal applications [online], www.twi-global.com [dostęp 2021-02-25] (ang.).
- ↑ Rotary friction welding for medical application [online], www.twi-global.com [dostęp 2021-02-25] (ang.).
- ↑ Rotary Friction Welding [online], MTI Welding [dostęp 2021-02-25] (ang.).
- ↑ Beata Skowrońska i inni, Zgrzewanie tarciowe ultradrobnoziarnistej stali 316L, „Przegląd Spawalnictwa - Welding Technology Review”, 90 (5), 2018, DOI: 10.26628/ps.v90i5.917, ISSN 2449-7959 [dostęp 2019-07-11].
- ↑ M. Meisnar i inni, Microstructural characterisation of rotary friction welded AA6082 and Ti-6Al-4V dissimilar joints, „Materials & Design”, 132, 2017, s. 188–197, DOI: 10.1016/j.matdes.2017.07.004, ISSN 0264-1275 [dostęp 2019-10-12].
- ↑ Adam Pietras, Roman Bogucki, Charakterystyka zgrzewania tarciowego elementów konstrukcji metalowych, „Szybkobieżne Pojazdy Gąsienicowe (21) nr 1, 2005”, 2005 [dostęp 2019-10-13] [zarchiwizowane z adresu 2019-10-13].
- ↑ Rotary friction welding machines [online], KUKA AG [dostęp 2020-12-28] (ang.).
- ↑ Dudley Maude, Inerita friction welding of turbine-engine components l Reibschweißen von Turbinenkomponenten (2008) - video Dailymotion [online], Dailymotion [dostęp 2021-02-25] (ang.).
- ↑ Gould, Jerry (2020). "Application of Low Force Friction Welding to a 6061-T6 Aluminum Alloy". Retrieved 2021-01-15.
- 1 2 Anthony R. McAndrew i inni, A literature review of Ti-6Al-4V linear friction welding, „Progress in Materials Science”, 92, 2018, s. 225–257, DOI: 10.1016/j.pmatsci.2017.10.003, ISSN 0079-6425 [dostęp 2020-01-16].
- 1 2 Luca Raimondi i inni, Development of a novel monitoring system for the in-process characterisation of the machine and tooling effects in Inertia Friction Welding (IFW), „Mechanical Systems and Signal Processing”, 156, 2021, s. 107551, DOI: 10.1016/j.ymssp.2020.107551, ISSN 0888-3270.
- ↑ A. Ambroziak i inni, Modelowanie MES procesu konwencjonalnego zgrzewania tarciowego, „Innowacje w Technikach Spajania (Sympozjum Naukowe Zakładu Inżynierii Spajania)”, Prace Naukowe Politechniki Warszawskiej. Mechanika, 2009.
- 1 2 Guilong Wang i inni, Study on microstructure evolution of AISI 304 stainless steel joined by rotary friction welding, „Welding in the World”, 62 (6), 2018, s. 1187–1193, DOI: 10.1007/s40194-018-0613-7, ISSN 0043-2288 [dostęp 2019-12-21].
- ↑ Xujing Nan i inni, Modeling of rotary friction welding process based on maximum entropy production principle, „Journal of Manufacturing Processes”, 37, 2019, s. 21–27, DOI: 10.1016/j.jmapro.2018.11.016, ISSN 1526-6125 [dostęp 2019-12-16].
- ↑ Daniela Ramminger Pissanti i inni, Pipeline girth friction welding of the UNS S32205 duplex stainless steel, „Materials & Design”, 162, 2019, s. 198–209, DOI: 10.1016/j.matdes.2018.11.046, ISSN 0264-1275 [dostęp 2019-07-11].
- ↑ Kaifeng Wang i inni, Micro friction stir welding of multilayer aluminum alloy sheets, „Journal of Materials Processing Technology”, 260, 2018, s. 137–145, DOI: 10.1016/j.jmatprotec.2018.05.029, ISSN 0924-0136 [dostęp 2021-02-25] (ang.).
- ↑ Study on the Bonding Performance of the Moso Bamboo Dowel Welded to a Poplar Substrate Joint by High-Speed Rotation [online], www.techscience.com [dostęp 2021-04-18].
- ↑ W.D. Jolly, The use of acoustic emission as a weld quality monitor, Pacific Northwest Lab, 1969, OCLC 929865942 [dostęp 2021-04-18].


