O-QPSK (ang. Offset Quadrature Phase Shift Keying) – odmiana modulacji PSK. Jest ona nieomal identyczną modulacją jak QPSK, różnica polega tylko na tym, że ciąg bitów pochodzących z wejściowego ciągu kodowego
w kanale
(kwadraturowym) przesunięty jest o okres
[s] względem bitów w kanale
(synfazowym). Modulacja ta znajduje zastosowanie głównie w systemach łączności satelitarnej.
Schemat blokowy modulatora jest następujący:

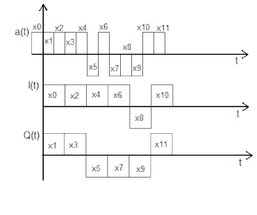
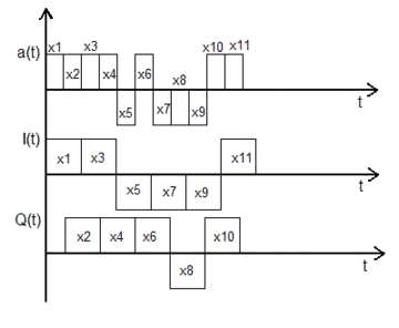
Porównanie kanałów
i
w modulacjach QPSK i O-QPSK:
| Modulacja QPSK | Modulacja O-QPSK |
 |  |
Dzięki opóźnieniu bitów w kanale
unika się sytuacji, w której wartość zmiany fazy na granicy znaku wyniesie
Ponadto czas trwania pojedynczego znaku wynosi
a w jego obrębie tylko jeden bit z dwubitu może zmienić wartość. Dlatego właśnie zmiana fazy na granicy dwóch znaków może wynieść 0,
albo
Wtedy sygnał O-QPSK jest opisywany następująco:

gdzie:



oraz
są funkcjami ortogonalnymi,
co pozwala na zakodowanie 4 różnych wartości binarnych, czyli 2 bitów:
| i |
Faza O-QPSK |
 |
 |
Dane wejściowe |
Sygnał odpowiadający każdej wartości fazy |
| 1 |
 |
 |
 |
10 |
 |
| 2 |  |
 |
 |
00 |
 |
| 3 |  |
 |
 |
01 |
 |
| 4 |  |
 |
 |
11 |
 |
Ciąg kodowy odzyskuje się za pomocą demodulatora przedstawionego poniżej:

Zobacz też
| Analogowe |
|
|---|
| Cyfrowe | |
|---|
| Szerokopasmowe |
|
|---|