Transformator Tesli



Transformator Tesli, cewka Tesli[1], transformator rezonansowy, generator Tesli – transformator powietrzny wytwarzający wysokie napięcie rzędu milionów woltów. Twórcą cewki wysokonapięciowej jest Nikola Tesla.
Budowa
Transformator można podzielić na 2 zasadnicze części (obwody rezonansowe):

Obwód pierwotny składa się z transformatora zasilającego Tr1, dławików Lb1, Lb2 (chroniących Tr1 i sieć zasilającą), kondensatora C1, iskrownika (Iskr), oraz cewki pierwotnej L1 w postaci kilku zwojów rurki lub grubego drutu. Częstość drgań obwodu pierwotnego zależy od pojemności kondensatora, indukcyjności cewki pierwotnej oraz w pewnym stopniu od przerwy iskrownika.
Obwód wtórny to kondensator C2, którego pojemność jest równa pojemności pomiędzy górną elektrodą (najczęściej wykonaną w formie torusa) a Ziemią, oraz cewka wtórna L2 składająca się zazwyczaj z kilku-kilkunastu tysięcy zwojów cienkiego drutu. Częstotliwość rezonansowa obwodu wtórnego wyraża się wzorem:
Indukcyjność wzajemna uzwojeń pierwotnego i wtórnego sprzęga oba obwody rezonansowe, zaś różnica pojemności obwodu pierwotnego i wtórnego daje ogromny wzrost napięcia, zgodnie ze wzorem:
gdzie U jest napięciem, a C pojemnością kondensatorów. Wzrost napięcia jest skutkiem prawa zachowania energii dla kondensatorów, według którego jeśli w kondensatorze o mniejszej pojemności ma się znajdować taka sama energia jak w kondensatorze o większej pojemności, to napięcie na tym pierwszym będzie wyższe.
Zasada działania

Aby transformator Tesli działał, częstotliwość rezonansowa obwodu wtórnego musi być taka sama jak obwodu pierwotnego. Uzyskuje się to poprzez wstępne obliczenie parametrów transformatora, a następnie regulację już zbudowanego urządzenia – polega ona na zmianie długości cewki pierwotnej (przez przesuwanie odczepu) oraz regulację przerwy iskrownika.
Transformator zasilający ładuje kondensator pierwotny C1. Gdy napięcie na kondensatorze dostatecznie wzrośnie, powoduje przeskok iskry i rozpoczęcie drgań rezonansowych: Kondensator rozładowuje się przez cewkę L1, wytwarzając w niej pole magnetyczne. Pole to indukuje wysokie napięcie w obwodzie wtórnym L2/C2. Prąd obwodu wtórnego poprzez cewkę pierwotną ładuje kondensator pierwotny przeciwnym napięciem.
Można obrazowo powiedzieć, że energia z kondensatora jest „przesyłana” do obwodu wtórnego, a następnie „zwracana” do pierwotnego. Cały cykl powtarza się z częstotliwością rezonansową.
Indukcyjność podtrzymuje iskrę tak długo, aż straty mocy w obwodzie nie spowodują rozładowania kondensatora i zmniejszenia amplitudy. Następuje przerwa podczas której kondensator jest ładowany, zapala się kolejna iskra i cykl się powtarza.
Jak widać, w pracy całego układu występują dwie nałożone na siebie częstotliwości: Częstotliwość rezonansowa (rzędu kHz do MHz) oraz częstotliwość działania iskrownika (na ogół zgodna z częstotliwością sieci 50 Hz)
Efekty, projektowanie, budowa

Niezwykłość cewki Tesli polega nie na jej zasadzie działania – prostym następstwie praw Maxwella – ale na spektakularnych efektach optycznych. Rezonans z Ziemią powoduje, że z torusa wydobywają się różnej długości błyskawice.
Transformator zasilający oprócz odpowiedniego napięcia nominalnego, musi posiadać również dostateczną moc. Z oczywistych względów nie należy oczekiwać, że napięcie w obwodzie pierwotnym będzie równe napięciu transformatora na biegu jałowym. Przy zbyt małej mocy napięcie może spaść tak dalece, że nie będzie w stanie nawet przebić iskrownika.
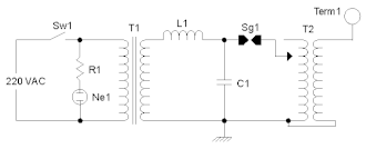
Na schemacie celowo pozostawiono wolny zacisk uziemiający wtyczki sieciowej, by nie sugerować jego połączenia z obwodem wtórnym – nie wolno łączyć masy obwodu wtórnego (oznaczonej na schemacie) z masą sieci zasilającej.
Inne konstrukcje
Ciekawym rozwiązaniem technicznym są cewki bliźniacze (Twin Coil), jak również dipol półfalowy (Bipolar Coils):
- Twin Coil
Urządzenie to składa się z dwóch identycznych uzwojeń wtórnych zakończonych torusami, przy czym uzwojenia wtórne nawinięte są w przeciwnych kierunkach. Uzwojenia pierwotne również są identyczne i pracują jako jeden obwód pierwotny, ale kierunek nawijania zwojów jest różny dla każdej z cewek. Za pomocą Twin Coil można uzyskać długie wyładowania pomiędzy toroidami.
- Bipolar Coils
Cewki zwane Bipolarami wykorzystują zasadę 1/2 długości fali. W tym typie cewek uzwojenie wtórne montowane jest poziomo, a uzwojenie pierwotne znajduje się dokładnie w środku uzwojenia wtórnego. Maksymalne napięcie uzyskiwane jest na wolnych końcach uzwojenia wtórnego, zaś w jego centralnej części wynosi zero.
- Magnifier Coil
W tej edycji, do klasycznej cewki dodane jest jeszcze jedno uzwojenie. Jego dół podłączony jest do toroidu „wyjściowego” cewki, a góra do większego toroidu, i opcjonalnie do szpilki, aby wyładowania wychodziły z jednego punktu. Zdjęcie
- SSTC
Solid State Tesla Coil, półprzewodnikowa cewka Tesli. Zbudowana w oparciu o sprzężenie zwrotne w postaci anteny lub przekładnika prądowego, synchronizujące pracę układu sterującego tak, aby uzyskać rezonans w obwodzie. Powstaje sprzężenie zwrotne między obwodem wtórnym (rura + toroid), a pierwotnym. Idea SSTC jest nieco inna niż klasycznej cewki SGTC. Nie ma tam iskrownika, generację drgań uzyskuje się za pomocą sprzężenia zwrotnego. Cewki SSTC umożliwiają modulowanie wyładowań, przy użyciu dodatkowego generatora zwanego interrupterem (przerywaczem), będącym najczęściej prostym generatorem o zmiennym wypełnieniu impulsów – PWM, który okresowo przerywa obwód pierwotny – generator ten wspomaga też wzbudzenie samej cewki. Jego rola jest w pewnym sensie zbliżona do iskrownika. Interrupter umożliwia regulację częstotliwości oraz stosunku „włączenia” do „wyłączenia” całego obwodu – co pozwala uzyskać nawet pewne efekty akustyczne. SSTC pozwala na realizację MTC – Musical Tesla Coil – w tym przypadku zamiast interruptera stosuje się układ modulatora, w którym sygnałem modulującym jest sygnał audio. Trudność w realizacji tych cewek stanowi sposób wykonania odpowiedniego sprzężenia zwrotnego, koniecznego do zapewnienia pracy generatora sterującego w częstotliwości rezonansowej obwodu, pomimo zmieniających się warunków otoczenia. Realizuje się je najczęściej w postaci anteny lub odpowiedniego przekładnika prądowego, wraz z układami dopasowującymi. Przy braku takiego sprzężenia cewka ma tendencję do rozstrajania się, a to może powodować bardzo duże obciążenia stopni sterujących, często prowadzące do zniszczenia tranzystorów MOSFET i/lub obwodów sterujących. W cewkach tych należy też pamiętać o odpowiednich układach sterujących bramkami tranzystorów MOSFET (szczególnie ich pojemnościami przy przełączaniu), które wymagają odpowiedniego prądu sterującego. Stosuje się scalone sterowniki bramek, albo transformatory sterujące bramką GDT (gate driver transformer) lub też oba.
- DRSSTC
Double Resonant Solid State Tesla Coil, półprzewodnikowa cewka Tesli o podwójnym rezonansie. Różni się od SSTC tym że w driverze ma moduły IGBT zamiast MOSFET. Inna jest też konstrukcja sterowników. Efektem jest powstanie podwójnego rezonansu – napięciowego, jak i prądowego; po stronie pierwotnej, jak i wtórnej. Jest to zdecydowanie najdroższa i najbardziej skomplikowana wersja TC. Pozwala osiągać ogromne moce i spektakularne wyładowania. Jest znacznie cichsza od klasycznej cewki, gdyż nie posiada przerwy iskrowej. Zdjęcie
- VTTC
Vacuum Tube Tesla Coil – Lampowa cewka Tesli. Jest to urządzenie o dość prostej budowie, przy wykorzystaniu lamp próżniowych, najczęściej pentod mocy. Dość często wykorzystywane są polskiej produkcji lampy PL 504 (najsłabsza), radzieckie 6P45S (niewiele mocniejsza) – obie są przeznaczone do odchylania poziomego w telewizorach. Rzadziej wykorzystuje się pentody nadawcze GU-50 (znacznie mocniejsza) lub GU-81M, gdyż są drogie. Ta ostatnia pozwala osiągnąć największą moc z wymienionych.
- OLTC
Off Line Tesla Coil – bardzo podobna do klasycznej cewki Tesli, w której iskrownik został zastąpiony przez układy tranzystorów IGBT (rzadko Power MOSFET). W przeciwieństwie do klasycznej cewki zasilanie po stronie pierwotnej nie musi być wysokonapięciowe – stosuje się generalnie napięcia rzędu od 150 do ok. 1000 V (np. wyprostowane jedno- lub dwupołówkowo napięcie sieciowe 230 V). Umożliwia to stosowanie tańszych dostępnych kondensatorów w obwodzie pierwotnym, nie są wymagane zespoły kondensatorów (MMC), ani kondensatory robione z folii. Cewki OLTC, podobnie jak SSTC i DRSSTC umożliwiają modulowanie sygnału sterującego blokiem IGBT, co pozwala na realizację MSTC, czyli Musical Tesla Coil – grającej cewki Tesli. W cewkach tych ważne jest to, aby uzyskać odpowiedni stopień sprzężenia uzwojeń pierwotnego i wtórnego (coupling). Najczęściej pierwotne uzwojenie nawija się bezpośrednio na wtórne, na cienkiej przekładce.
- Class E TC
Cewka Tesli zbudowana w oparciu o schemat wzmacniacza klasy E. Układ sterowania jest dość prosty – najczęściej zbudowany w oparciu o jeden tranzystor wykonawczy MOSFET (IGBT się nie nadają ze względu na małą częstotliwość graniczną) oraz układ sprzężenia zwrotnego. Cewki klasy E pracują w zakresie częstotliwości rzędu MHz, są raczej niewielkie, wyładowania nie są zbyt spektakularne. Cechą tych cewek jest między innymi to, że umożliwiają bardzo prostą realizację modulacji sygnałem audio – i pełnią rolę swoistego głośnika plazmowego. Według wielu konstruktorów jakość dźwięku uzyskiwana z Class E TC jest dość dobra.
- Musical Tesla Coil
Musical Tesla Coil (czasem MTC, MSTC, MSSTC) – cewki Tesli, najczęściej SSTC, VTTC lub DRSSTC (czasem OLTC) – które są modulowane sygnałem audio. Dzięki temu wyładowania uzyskiwane z tych cewek – grają. W zależności od konstrukcji uzyskać można różną jakość dźwięku, która zależy od częstotliwości rezonansowych układu, stopnia (głębokości) oraz rodzaju modulacji (FM lub PWM). Wyższą jakość dźwięku uzyskuje się przy częstotliwościach rezonansowych większych od 100 kHz (zgodnie z twierdzeniem o próbkowaniu). Istnieją dwa podejścia do realizacji MTC – jedno z nich zakłada pełną modulację sygnału – uzyskując coś w rodzaju głośnika plazmowego (najczęściej możliwe do realizacji w Class E TC), a drugie opiera się na modulowaniu wyładowań częstotliwościami skali muzycznej (w oparciu o SSTC, VTTC i DRSSTC). Pierwsze podejście jest trudniejsze, wymaga bowiem bardziej skomplikowanego układu sterującego (modulatora), a uzyskane efekty są mniej widowiskowe. W drugim przypadku mamy do czynienia z prostym generatorem wytwarzającym częstotliwości według skali muzycznej (zestrojony interrupter) modulującym wyładowania, uzyskujemy w ten sposób swoisty instrument muzyczny. Wiele zaawansowanych konstrukcji MTC opiera się na układach modulacyjnych wykorzystujących mikrokontrolery, sprzężonych za pomocą łączy optycznych (dla bezpieczeństwa), wyposażonych w interfejs MIDI.
Zagrożenia
W obwodzie pierwotnym cewki Tesli panuje napięcie kilku tysięcy woltów, zaś we wtórnym – kilka milionów. Porażenie prądem z takimi napięciami może spowodować śmierć, a długotrwałe wystawienie się na działanie iskry wiąże się z trudnymi do wyleczenia poparzeniami. Osoby z rozrusznikami serca, słabym sercem itp. nie powinny narażać się na działanie transformatora.
Wyładowania o wysokim napięciu i częstotliwości radiowej (RF) z końcówki uzwojenia wtórnego cewki Tesli stwarzają specyficzne zagrożenie, którego nie spotyka się w innych urządzeniach generujących wysokie napięcie. Układ nerwowy człowieka jest niewrażliwy na prądy o częstotliwościach powyżej 10 - 20 kHz. Dlatego osoby narażone na działanie wyładowań z cewki Tesli nie odczuwają bólu i zakładają, że prądy te są niegroźne. Jeżeli łuk elektryczny z terminalu wysokiego napięcia uderzy w gołą skórę, może dojść do oparzeń. Eksperymentatorzy unikają tego, trzymając w dłoni kawałek metalu (np. drut) i pozwalają na przeskok prądu z cewki Tesli na metal, który z kolei przekazuje prąd do dłoni, a duża powierzchnia styku między metalem, a skórą pozwala uniknąć oparzeń. Dzięki temu przepływowi prądu nie towarzyszy żadne uczucie, poza uczuciem ciepła lub mrowieniem.
Nie oznacza to, że te prądy są nieszkodliwe. Nawet względnie niewielki transformator Tesli jest w stanie wygenerować wystarczającą ilość energii elektrycznej, zdolnej do zatrzymania akcji serca (jeżeli częstotliwość prądu jest wystarczająco niska, aby spowodować migotanie komór). Ponadto prąd RF przechodząc przez tkanki, powoduje wzrost ich temperatury. Szczególnie, kiedy przepływa przez wąskie struktury (takie jak np. naczynia krwionośne), może podnieść ich temperaturę do poziomów hipertermicznych, dosłownie je "gotując" lub powodując inne obrażenia.
Inne generatory wysokiego napięcia
Tesla w kulturze masowej
Ze względu na widowiskowość procesu, koncepcja opisanej technologii jest niejednokrotnie spotykana w literaturze sci-fi oraz licznych grach komputerowych. Broń Tesli (ręczna, stacjonarna, lekka i ciężka) zwykle wykorzystuje ogromne ilości energii dostarczanej z zewnątrz do rażenia przeciwnika „błyskawicami” na niewielką odległość. Niewiele źródeł wyjaśnia jednak na czym technicznie polega namierzanie i celowanie takimi urządzeniami. Prawdopodobnie najbardziej znanym zastosowaniem w grach jest seria Command & Conquer: Red Alert, chociaż istnieją również inne tytuły, jak chociażby seria Dead Space, Grand Theft Auto 2, Fallout 3, czy Return to Castle Wolfenstein.
Zobacz też
Przypisy
- ↑ transformator Tesli, [w:] Encyklopedia PWN [online], Wydawnictwo Naukowe PWN [dostęp 2023-01-10].
Linki zewnętrzne
- Lightning on Demand – Badanie wysokonapięciowych zjawisk elektrycznych
- c4r0.elektroda.eu (zarchiwizowana). c4r0.elektroda.eu. [zarchiwizowane z tego adresu (2016-03-04)]. – Opis budowy najprostszego rodzaju półprzewodnikowej cewki Tesli
- http://www.arcattack.com/ – strona „zespołu” muzycznego, w którym jako instrumentów używa się m.in. cewek MTC DRSSTC modulowanych częstotliwościami skali muzycznej.